107X活塞式安全泄壓持壓閥
產品概述
107X活塞式安全泄壓持壓閥(水力控製閥)主要用於安裝在高層建築、xiaofanggeishuixitongyijiqitageishuixitongdeguandaoshang,danggeishuiguanluzhongyalichaoguoxieyafashedingyalishi,xieyafazidongkaiqikuaisuxieya,baohuguanxiandeanquan,yekezuochiyafayong,baozhangzhufashangyoudegongshuiyali。shanghaisaitaibengfayouxiangongsishengchande107X活塞式安全泄壓持壓閥能準確保持不變的安全設定壓力,一旦超壓,泄壓閥迅速打開,及時泄壓,關閉平穩可靠,消除壓力餘波。

107X活塞式安全泄壓持壓閥

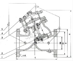
107X活塞式安全泄壓持壓閥結構圖1、閥體 2、球閥 3、缸套 4、導閥 5、球閥
典型安裝圖

107X活塞式安全泄壓持壓閥典型安裝示意圖
主要外形尺寸
| DN | 50 | 65 | 80 | 100 | 125 | 150 | 200 | 250 | 300 | 350 | 400 | 450 | 500 | 600 | 700 | 800 | 900 | 1000 |
| L | 205 | 216 | 250 | 320 | 365 | 415 | 500 | 605 | 698 | 787 | 914 | 978 | 978 | 1150 | 1300 | 1450 | 1650 | 1800 |
| H | 300 | 337 | 467 | 520 | 580 | 640 | 778 | 889 | 1010 | 1037 | 1264 | 1294 | 1324 | 1600 | 1750 | 1900 | 2100 | 2400 |
注:
1.本網頁的107X活塞式安全泄壓持壓閥結構、結構圖、尺寸、參數等主要性能參數,以及安裝尺寸圖、安裝尺寸表均隻適用於參考,詳細CAD圖、安裝圖、以及產品說明書請向賽泰閥門營銷人員索取。
2.由於編輯水平有限,錯誤和不妥之處在所難免,真誠希望您批評指正。
107X活塞式安全泄壓持壓閥相關產品
下一頁:活塞式多功能水泵控製閥
返回至本係列目錄:水力控製閥
上一頁:100X活塞式遙控浮球閥