三片式法蘭球閥

三片式法蘭球閥圖(3PC)Q41F-16/40 C/P/R
產品特征
- 公稱壓力:1.6-6.4MPa
- 適用溫度範圍:-20~232℃~350℃
- 適用介質:水、油、氣及某些腐蝕性液體(W.O.G)。
主要連接尺寸及重量
| SIZE | 1/2″ | 3/4″ | 1″ | 1 1/4″ | 1 1/2″ | 2″ | 21/2″ | 3″ | 4″ |
| d | 15 | 20 | 25 | 32 | 38 | 50 | 65 | 76 | 100 |
| L | 130 | 150 | 160 | 180 | 200 | 230 | 290 | 310 | 350 |
| D | 95 | 105 | 115 | 135 | 145 | 160 | 180 | 195 | 230 |
| D1 | 65 | 75 | 85 | 100 | 110 | 125 | 145 | 160 | 190 |
| D2 | 45 | 55 | 65 | 78 | 85 | 100 | 120 | 135 | 160 |
| b | 14 | 16 | 16 | 18 | 18 | 20 | 22 | 24 | 24 |
| f | 2 | 2 | 2 | 3 | 3 | 3 | 3 | 3 | 3 |
| H | 75 | 95 | 90 | 110 | 130 | 140 | 170 | 180 | 250 |
| W | 130 | 140 | 140 | 170 | 200 | 220 | 350 | 350 | 550 |
| n-do | 4-14 | 4-14 | 4-14 | 4-18 | 4-18 | 8-18 | 8-18 | 8-18 | 8-22 |
主要零件材料

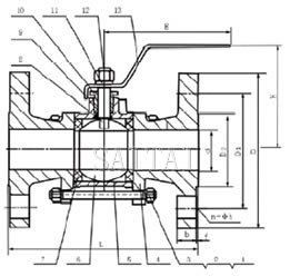
三片式法蘭球閥總裝圖
| 序號 | 零件名稱 | 材質 | |
| 不鏽鋼 | 碳鋼 | ||
| 1 | 螺栓 | 不鏽鋼SS304 | 碳鋼 |
| 2 | 彈簧墊圈 | 不鏽鋼SS304 | 不鏽鋼SS304 |
| 3 | 螺母 | 不鏽鋼SS304 | 碳鋼 |
| 4 | 閥蓋 | 不鏽鋼CF8/CF8M | 碳鋼WCB |
| 5 | 閥體 | 不鏽鋼CF8/CF8M | 碳鋼WCB |
| 6 | 球 | 不鏽鋼CF8 | 不鏽鋼CF8 |
| 7 | 密封圈 | 聚四氟乙烯PTFE | 聚四氟乙烯PTFE |
| 8 | 閥杆 | 不鏽鋼SS316 | 不鏽鋼SS304 |
| 9 | 填料 | 聚四氟乙烯PTFE | 聚四氟乙烯PTFE |
| 10 | 壓緊螺母 | 不鏽鋼SS316 | 不鏽鋼SS304 |
| 11 | 彈簧墊圈 | 不鏽鋼SS304 | 不鏽鋼SS304 |
| 12 | 螺母 | 不鏽鋼SS304 | 不鏽鋼SS304 |
| 13 | 手柄 | 不鏽鋼SS304 | 不鏽鋼SS304 |
注:
1.本網頁的三片式法蘭球閥結構、結構圖、尺寸、參數等主要性能參數,以及安裝尺寸圖、安裝尺寸表均隻適用於參考,詳細CAD圖、安裝圖、以及產品說明書請向賽泰閥門營銷人員索取。
2.由於編輯水平有限,錯誤和不妥之處在所難免,真誠希望您批評指正。
三片式法蘭球閥相關產品
下一頁:1000WOG三通不鏽鋼球閥
返回至本係列目錄:球閥
上一頁:三片式活接對焊球閥