防爆行程開關
ET-R/I是將電動執行器用作閥位反饋的電位器的電阻變化值,變換為4-20mA DC的閥位電流信號輸出,用於對閥位開度的指示與控製。它被廣泛的用在角行程和直行程的電動執行器中。

防爆行程開關
主要結構特點
開關本體兼具防爆規格,耐壓防爆構造端子盒,實現了小型化 ,密封性構造
防爆構造:Exdell CT6
溫度等級:T6(85℃以上,100℃以下)
防爆等級:IIC(氫,二硫化碳)
主要技術參數和性能指標
| 保護構造 | IEC規格:IP67規格、JIS規格:防浸型 | |
| 壽命*1 | 機械性*2 | 200萬次以上(操作行程40°); 150萬次以上(操作行程60°) |
| 電器性*3 | 5萬次以上(AC250V 2A阻抗負載) 200萬次以上(DC24V20mA阻抗負載) |
|
| 容許操作速度*4 | 1mm/s-1m/s | |
| 最小適用負載 | DC24V、20mA | |
| 容許操作頻率 | 機械性 | 120次/min |
| 電器性 | 2次/min | |
| 絕緣阻抗 | 各端子與接地間100MΩ以上(DC500V) | |
| 接觸阻抗 | 50mΩ以下(初期值) | |
| 耐電壓(50/60Hz) 1min |
同極端子間 | AC1000V(漏電流10mA以下) |
| 各端子與接地間 | AC2000V(漏電流10mA以下) | |
| 各端子與非充電金屬部間 | AC2000V(漏電流10mA以下) | |
| 震動 | 誤動作 | 10-55Hz複振幅1.5mm |
| 衝擊 | 耐久 | 1,000m/s*s以上(約100G以上) |
| 誤動作 | 300m/s*s以上(約30G以上) | |
| 使用環境溫度 | -20℃- +70℃(但不可結冰) | |
| 使用環境濕度 | 95%RH以上 | |
| 注:1.上表之值為初期值。 2.型式不同時,含和上表內容有所差異。 * 1.壽命值指周圍環境溫度5-35℃,周圍濕度40-70RH時的值。 * 2.為手柄型之使用壽命值。柱塞型則為20ā萬次以上(操作行程5mm)。 * 3.為手柄型之操作行程40℃,柱塞型之操作行程5mm時之值。 * 4.柱塞型為1mm/s-0.5m/s. |
||

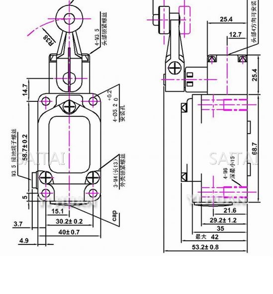
防爆行程開關結構圖
注:
1.本網頁的防爆行程開關結構、結構圖、尺寸、參數等主要性能參數,以及安裝尺寸圖、安裝尺寸表均隻適用於參考,詳細CAD圖、安裝圖、以及產品說明書請向賽泰閥門營銷人員索取。
2.由於編輯水平有限,錯誤和不妥之處在所難免,真誠希望您批評指正。
防爆行程開關相關產品
下一頁:電磁換向閥
返回至本係列目錄:電動執行器
上一頁:西門子閥門定位器