EN5-1 SS-M2F8內螺紋二閥組
產品簡圖及外形尺寸圖

EN5-1 SS-M2F8內螺紋二閥組

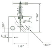
EN5-1 SS-M2F8內螺紋二閥組外形尺寸圖

EN5-1 SS-M2F8內螺紋二閥組簡圖
特點及用途
EN5-1 SS-M2F8內nei螺luo紋wen二er閥fa組zu是shi在zai借jie鑒jian新xin加jia坡po閥fa現xian有you的de基ji礎chu上shang改gai進jin的de,內nei螺luo紋wen二er閥fa組zu的de結jie構gou小xiao巧qiao靈ling活huo,通tong過guo安an裝zhuang孔kong把ba閥fa組zu和he變bian送song器qi固gu定ding在zai支zhi架jia上shang,解jie決jue了le現xian場chang儀yi表biao一yi體ti化hua裝zhuang置zhi中zhong無wu法fa固gu定ding閥fa組zu的de難nan題ti。
技術參數及材質:
| 序號 No. |
公稱壓力 PN |
公稱通徑 DN(mm) |
適用溫度 Applicable Temperature (℃) |
閥體材料 Body |
| 1 | 16MPa | 5 | -20~440 | 35# |
| 2 | -70~240 | 1Cr18Ni9Ti | ||
| 3 | 32MPa | -20~440 | 35# | |
| 4 | -70~240 | 1Cr18Ni9Ti |
注:
1.本網頁的EN5-1 SS-M2F8內螺紋二閥組結構、結構圖、尺寸、參數等主要性能參數,以及安裝尺寸圖、安裝尺寸表均隻適用於參考,詳細CAD圖、安裝圖、以及產品說明書請向賽泰閥門營銷人員索取。
2.由於編輯水平有限,錯誤和不妥之處在所難免,真誠希望您批評指正。
EN5-1 SS-M2F8內螺紋二閥組相關產品
下一頁:EN5-2 EF-2 二組閥
返回至本係列目錄:針型閥
上一頁:J13W Ⅲ型內螺紋針型閥