1151T型三組閥
產品圖片

1151-1.6/32PT型三組閥

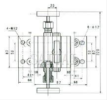
1151-1.6/32PT型三組閥結構圖
主要性能規範
型號 Type |
公稱壓力(MPa) Nominal Pressure |
試驗壓力PS(MPa)Test pressure | 工作壓力 (MPa) Working Pressure |
工作溫度(℃) Working Temperature |
適用介質 Applicable medium |
||
| 殼體 Shell |
密封 (液) Seal |
密封 (氣) Seal |
|||||
| 1151-40 | 4.0 | 6.0 | 4.4 | 0.6 | 4.0 | P≤540℃ | 液化石油氣水、酸、 蒸汽、油品等 Petroleum gas Water,Asic,Steam, Oil etc. |
| 1151-320P | 32.0 | 48.0 | 35.2 | 0.6 | 32.0 | C≤425℃ | |
主要外型與連接尺寸
公稱直徑DN(mm) |
尺寸 Dimensions | 重量(Kg) Weight |
|||||
| Nominal diameter | Do | D1 | H | L | L1 | d | |
| 3-6 | 60 | 97 | 220 | 87 | 54 | 3-6 | 2.2 |
注:
1.本網頁的1151T型三組閥結構、結構圖、尺寸、參數等主要性能參數,以及安裝尺寸圖、安裝尺寸表均隻適用於參考,詳細CAD圖、安裝圖、以及產品說明書請向賽泰閥門營銷人員索取。
2.由於編輯水平有限,錯誤和不妥之處在所難免,真誠希望您批評指正。
1151T型三組閥相關產品
下一頁:J23 SA流量計三通閥
返回至本係列目錄:針型閥
上一頁:J19H壓力表針型閥