信譽發展

首頁 > 賽泰產品 > 水泵 > 真空泵

SKA係列水環式真空泵

SKA係列水環式真空泵(簡稱:SKA真空泵),適於抽除氣體和水蒸汽。吸氣壓力可以達到33mbar絕壓(97%真空度)當真空泵在吸氣壓力低於80mbar的狀態下長期工作時,應聯接汽蝕保護管以對泵進行保護,如配大氣噴射器(見附件表)吸氣壓力可達10mbar,噴射器可直接裝在真空泵上。作為壓縮機用時,其壓力最大至0.26mbar(絕壓)。
水環真空泵及壓縮機被廣泛用於石油化工、製藥、食品、製zhi糖tang工gong業ye等deng領ling域yu,由you於yu在zai工gong作zuo過guo程cheng中zhong,氣qi體ti的de壓ya縮suo過guo程cheng是shi等deng溫wen的de,所suo以yi在zai壓ya縮suo和he抽chou吸xi易yi燃ran易yi爆bao氣qi體ti時shi,不bu易yi發fa生sheng危wei險xian,其qi應ying用yong更geng加jia廣guang泛fan。

SKA係列水環式真空泵
SKA係列水環式真空泵

SKA真空泵結構及特點

機泵同軸式直聯設計,節省空間,易於安裝;
采用機械密封作為標準配置,消除了泄漏,維護簡單;
運行平穩,噪音可低至62分貝;
統一的耐腐蝕設計,青銅葉輪提高了泵的耐腐蝕性,不鏽鋼材質則更適合更為苛刻的應用;
獨特的柔性排氣口設計,不會產生過壓縮,確保了SKA在其性能範圍內效率較佳。

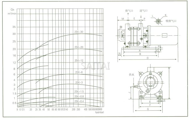
SKA真空泵性能曲線及選型示例

SKA係列水環式真空泵曲線圖
SKA係列水環式真空泵曲線圖

設計點參數:
吸氣量V=100m3/h
吸氣壓力P1=40mbara
① 其餘參數同標準狀態(見注)
選擇與設計點①最接近的一條曲線
② 本例中為71V
根據曲線編號查出相應的產品型號(即定貨號,但僅限於標準型)如本例中可從71V查得泵型為SKA2071-ONC06-IP
注:該性能曲線是在吸入介質為20℃的飽和空氣,工作液溫度過15℃,排氣壓力1013mba的狀態下得到的。性能允許差±10%。圖中左側為配用大氣噴射器的性能曲線。

SKA真空泵主要技術規格

老型號 產品型號 額定功率
(KW)
最大氣量
(m3/h)
工作液流量
(m3/h)
重量
(KG)
噪音
dB(A)
2BV-2060 SKA2060-0NC06-1P 0.81 27 0.12 20 62
2BV-2061 SKA2061-0NC02-1P 1.45 52 0.12 22 65
2BV-2070 SKA2070-0NC06-1P 2.35 80 0.15 31 66
2BV-2071 SKA2071-0NC06-1P 3.85 110 0.25 42 72
2BV―5110 SKA5110-0KC00-7P 4 165 0.4 78 63
2BV-5111 SKA5111-0KC00-7P 5.5 230 0.5 100 68
2BV-5121 SKA5121-0KC00-7P 7.5 280 0.6 145 69
2BV-5131 SKA5131-0KC00-7P 11 400 0.9 165 73
2BV-5161 SKA5161-0KC02-7P 15 500 1.2 252 74

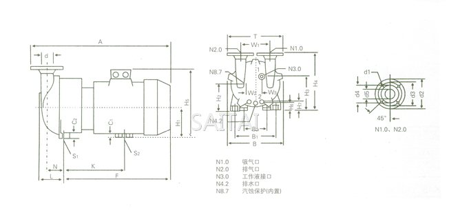
SKA2真空泵外形尺寸圖及外形尺寸表(單位mm)

SKA係列水環式真空泵結構圖1
SKA係列水環式真空泵結構圖1
型號 曲線編號 A B B1 E H1 H2 H3 H4 H6 M P2 P3
SKA2-060 60V 455 186 140 100 90 118 126 195 37.5 244 250 180
SKA2-061 61V 476 186 140 100 90 118 195 195 37.5 263 250 180
SKA2-070 70V 545 223 160 140 222 100 128 222 33 280 270 203
SKA2-071 71V 566 223 234 190 140 112 140 234 45 309 300 225
型號 曲線編號 R S2 W1 W2 W3 d N3.0 N4.2 N8.7
SKA2-060 60V 217 ф10 110 25.5 21 G1 G3/8″ G1/4″ G3/8″
SKA2-061 61V 236 ф10 110 25.5 21 G1 G3/8″ G1/4″ G3/8″
SKA2-070 70V 252 ф18 110 33 27 G11/2″ G3/8″ G1/4″ G3/8″
SKA2-071 71V 278 ф18 110 33 27 G11/2″ G3/8″ G1/4″ G3/8″

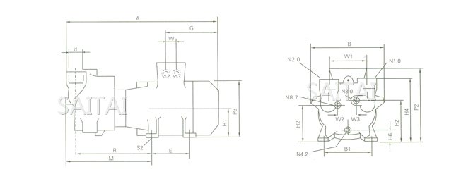
SKA5真空泵外形尺寸圖及外形尺寸表

SKA係列水環式真空泵結構圖2
SKA係列水環式真空泵結構圖2
型號 曲線編號 A B B1 B2 C1 C2 H1 H2 H3 H4 H5 H6 H7 K L
SKA5110-0KC 101V 637 325 255 190 41 26 140 156 202 361 328 38 57 342 130
SKA5111-0KC 111V 672 325 265 216 38 26 150 166 212 371 363 48 68 348 130
SKA5121-0KC 121V 771 347 265 216 36 26 150 167 217 385 363 39 60 430 147
SKA5131-0KC 131V 852 377 300 254 35 30 175 194 249 427 435 53 76 477.5 147
SKA5161-0KC 161V 1044 479 370 389 52 30 210 225 303 521 485 51 80 570 201
型號 曲線編號 F N S1 S2 T d1 d2 d3 d4 d5
SKA5110-0KC… 101V 464 92 ф12×23 ф12 340 19 160 123 97 52
SKA5111-0KC… 111V 500 92 ф12×23 ф12 340 19 160 123 97 52
SKA5121-0KC… 121V 584 97 ф12×23 ф12 382 19 182 142 113 66.5
SKA5131-0KC… 131V 658.5 103 ф12×23 ф14 382 19 182 142 113 66.5
SKA5161-0KC… 161V 808 138 ф15×27 ф14 450 22 200 156 130 80
型號 曲線編號 W1 W2 W3 ″d(N1.0,N2.0)″ N3.0 N4.2 N8.7
SKA5110-0KC… 101V 180 52 27 ″DN50/2″ G3/4″(絲長24) G3/8″(絲長25) G3/8″(絲長11)
SKA5111-0KC… 111V 180 52 27 ″DN50/2″ G3/4″(絲長24) G3/8″(絲長25) G3/8″(絲長11)
SKA5121-0KC… 121V 200 57 29 ″DN65/21/2″ G3/4″(絲長24) G3/8″(絲長25) G3/8″(絲長11)
SKA5131-0KC… 131V 200 62.5 32 ″DN65/21/2″ G3/4″(絲長24) G3/8″(絲長25) G3/8″(絲長11)
SKA5161-0KC… 161V 250 81 41 ″DN80/3″ G3/4″(絲長24) G3/8″(絲長25) G3/8″(絲長11)

2SK係列兩級水環真空泵主要技術規範表

型號 抽氣量
(m3/min)
極限真空 (Mpa) 電力功率 (KW) 轉速 (r・p・m) 供水量 (L/min) 吸入口徑 (mm) 排出口徑 (mm) 泵重
(包括電機) (Kg)
最大氣量
Max
2SK-1.5 1.5 -0.097 4 1440 10-15 40 40 230
2SK-3 3 -0.098 7.5 1440 15-20 40 40 320
2SK-6 6 -0.098 15 1460 25-35 50 50 500
2SK-12 12 -0.098 22 970 40-50 100 100 800
2SK-20 20 -0.098 45 740 60-80 125 125 1750
2SK-30 30 -0.098 75 740 70-90 125 125 1950

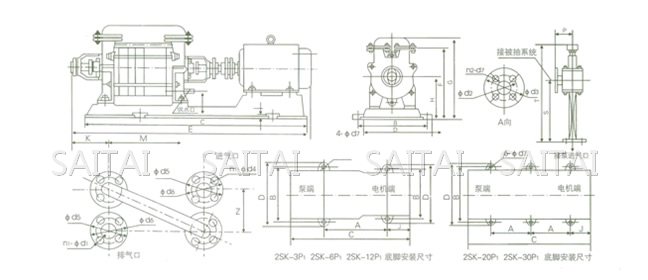
2SK-1.5P1兩級水環真空泵外形及安裝尺寸圖

2SK-1.5P1兩級水環真空泵外形及安裝尺寸圖
2SK-1.5P1兩級水環真空泵外形及安裝尺寸圖
型號 A B C D E F G H I J K L M N P Z n d1 d2 d3 d4 d5 d6 d7 d8 d9 地腳螺栓
2SK-1.5P1 605 125 125 950 1150 212 144 252 360 404 584 764 255 410 25 G1/2″ 4 ф140 ф98 ф40 M12 ф120 ф92 ф40 ф18 ф14 M16×400

2SK-3P1、2SK-6P1、2SK-12P1、2SK-20P1、、2SK-30P1兩級水環真空泵外形及安裝尺寸圖

2SK-3P1、2SK-6P1、2SK-12P1、2SK-20P1、、2SK-30P1兩級水環真空泵外形及安裝尺寸圖
2SK-3P1、2SK-6P1、2SK-12P1、2SK-20P1、、2SK-30P1兩級水環真空泵外形及安裝尺寸圖
型號 A A1 B B1 C D D1 E F G H I J K L M N P S T I n1 n2 d1 d2 d3 d4 d5 d6 d7 地腳螺栓
2SK-3P1 710 / 400 400 1136 460 460 1346 417 491 265 35 159 214 157 344 162 99 357 570 G1/2″ 4 4 18 120 152 18 110 150 18 M12×300
2SK-6P- 863 / 420 420 1391 470 470 1623 500 608 315 30 218 234 183 429 210 99 515 743 G1/2″ 4 4 18 120 152 18 125 160 18 M16×400
2SK-12P1 1037.5 / 520 460 1642 580 580 1965 615 750 375 30 216 246 183 599 280 120 565 800 G1/2″ 6 6 14 150 180 14 170 200 15 M24×3630
2SK-20P1 700 725 690 / 2023 750 / 2306 840 1004 500 30 306 283 225 619 350 180 774 1022 G3/4″ 8 6 18 200 235 18 200 235 18 M24×630
2SK-30P1 810 775 720 / 2265 780 / 2715 840 1004 500 30 344 283 225 749 350 180 1016 1264 G3/4″ 8 6 18 200 235 18 200 235 18 M24×630

2SK-P1係列兩級水環-大氣噴射泵機組主要技術規範表

型號 抽氣量(m3/min) 極限真空 (Mpa) 電力效率 (KW) 轉速 (r・p・m) 供水量 (L/min)
吸入壓力為
-0.097Mpa
吸入壓力為
-0.098Mpa
2SK-0.4P1 0.28 0.24 -0.099 2.2 2860 3~5
2SK-0.8P1 0.56 0.48 -0.099 3 2880 5~8
2SK-1.5P1 1.05 0.9 -0.099 4 1440 10~15
2SK-3P1 2.1 1.8 -0.099 7.5 1440 15~20
2SK-6P1 4.2 3.6 -0.099 15 1460 25~35
2SK-12P1 8.4 7.2 -0.099 22 970 40~50
2SK-20P1 14 12 -0.099 37 740 60~80
2SK-30P1 21 18 -0.099 55 740 70~90

注:1、表中所列性能指標是在下列條件下得出:
① 大氣壓1013mbar
② 水溫15℃
③ 空氣溫度20℃
④ 相對濕度70%
2、供水量為吸入真空-0.06Mpa時的數值,極限真空時可大於此數值。
3、抽氣量偏差10%
性能曲線圖及安裝尺寸圖

性能曲線圖及安裝尺寸圖
性能曲線圖及安裝尺寸圖
型號 A B C D E F G H I J K L M N P R
2SK-0.4 310 350 20 590 160 200 235 ф14 280 102 G1″ 50 104 36 5 15
2SK-0.8 335 375 20 660 170 210 260 ф14 280 102 G1″ 50 104 36 5 15

注:
1.本網頁的SKA係列水環式真空泵結構、結構圖、尺寸、參數、流量、揚程、電機轉速等主要性能參數,以及安裝尺寸圖、安裝尺寸表均隻適用於參考,詳細CAD圖、安裝圖、以及產品說明書請向賽泰水泵營銷人員索取。
2.由於編輯水平有限,錯誤和不妥之處在所難免,真誠希望您批評指正。

SKA係列水環式真空泵相關產品

下一頁:X-100B型旋片式機械真空泵

返回至本係列目錄:真空泵

上一頁:JZJS羅茨泵-水環泵機組

關閉在線客服
"
  • 銷售熱線

  • 總機:
  • 手機:180 1631 9660