SFY型立式液下泵
SFY型立式液下泵是上海賽泰水泵科技部技術人員在傳統耐腐蝕液下泵基礎上,參考國外同類產品的先進技術,經改進設計而生產的新型液下泵;該泵取消了其他液下泵普遍采用的機械密封和選用了獨特的葉輪,使泵高效節能、壽命長,從而廣泛應用於石油、化工、製藥、造紙、冶金等行業。

SFY型立式液下泵
SFY立式液下泵的主要特點
1、泵為立式液下泵,外形美觀,直接安裝在被輸送介質的儲存器上,無額外占地麵積,從而降低了基建投入。
2、取消了機械密封,解決了其他液下泵因機械密封容易磨損而須經常維修的煩惱,節約了泵的運行成本,提高了工作效率。
3、采用獨特的離心式葉輪,供輸送不含固體顆粒等清潔的介質,振動噪音低,效率高;采用開式葉輪,供輸送不清潔帶有固體顆粒及短纖維的液體,運行平穩、不堵塞。SFY立式液下泵適用於輸送介質溫度為-20~140℃;鑄鐵材質的泵,介質PH值在5-9範圍內;采用開式葉輪的泵,被輸送液體中含有的固體顆粒直徑不超過泵吸入口直徑30%為宜。

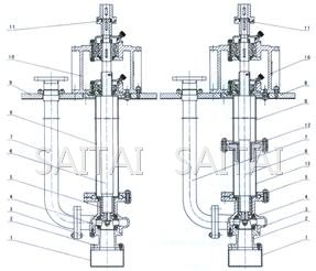
SFY型立式液下泵總裝圖
1、濾網;2、泵蓋;3、泵體;4、葉輪;5、下護軸套;6、泵軸;7、出液管部件;8、中間接管;9、安裝板;10、軸承體;11、聯軸器;12、導軸承體;13、中間短管。
SFY立式液下泵曲線圖

SFY立式液下泵曲線圖
SFY立式液下泵性能表 I
| 泵型號 | 流量Q | 揚程 H(mm) |
轉速 n(r/min) |
電機功率 P(KW) |
出口直徑D(mm) | 液下長度 L(m) |
|
| m3/h | L/s | ||||||
| 25SFY-16 | 1.98 3.6 3.96 |
0.55 1 1.1 |
19.2 16 12.8 |
2960 | 1.5 | 25 | 0.5~2.5 |
| 25SFY-16A | 1.80 3.27 3.6 |
0.50 0.91 1.00 |
15.8 13.2 10.6 |
2960 | 1.5 | 25 | 0.5~2.5 |
| 25SFY-25 | 1.98 3.6 3.96 |
0.55 1 1.1 |
30 25 20 |
2960 | 2.2 | 25 | 0.5~2.5 |
| 25SFY-25A | 1.80 3.27 3.6 |
0.50 0.91 1.0 |
24.8 20.7 16.6 |
2960 | 2.2 | 25 | 0.5~2.5 |
| 25SFY-41 | 1.98 3.6 3.96 |
0.55 1 1.1 |
49.2 41 32.8 |
2960 | 4 | 25 | 0.5~2.5 |
| 25SFY-41A | 1.80 3.27 3.60 |
0.5 0.91 1.0 |
40.8 34 27.2 |
2960 | 3 | 25 | 0.5~2.5 |
| 40SFY-16 | 3.96 7.2 7.92 |
1.10 2 2.2 |
16.8 15.7 12.6 |
2960 | 2.2 | 32 | 0.5~2.5 |
| 40SFY-16A | 3.6 6.55 7.2 |
1.00 1.82 2.00 |
15.6 13 10.4 |
2960 | 1.5 | 32 | 0.5~2.5 |
| 40SFY-26 | 3.96 7.2 7.92 |
1.10 2 2.2 |
30.6 25.5 20.4 |
2960 | 3 | 32 | 0.5~2.5 |
| 40SFY-26A | 3.6 6.55 7.2 |
1.00 1.82 2.00 |
25.2 21 16.8 |
2960 | 3 | 32 | 0.5~2.5 |
| 40SFY-40 | 3.96 7.2 7.92 |
1.10 2 2.2 |
48 40 32 |
2960 | 5.5 | 32 | 0.5~2.5 |
| 40SFY-40 | 1.98 3.6 3.96 |
0.55 1.0 1.1 |
12 10 8 |
1480 | 1.1 | 32 | 0.5~2.5 |
| 40SFY-40A | 3.6 6.55 7.2 |
1.00 1.82 2.00 |
39.2 32.7 28.1 |
2960 | 5.5 | 32 | 0.5~2.5 |
| 40SFY-40A | 1.8 3.3 3.6 |
0.5 0.92 1.0 |
9.8 8.2 6.5 |
1480 | 1.1 | 32 | 0.5~2.5 |
| 50SFY-16 | 7.92 14.4 15.8 |
2.20 4 4.4 |
18.8 15.7 12.6 |
2960 | 3 | 40 | 0.5~2.5 |
| 50SFY-16A | 7.2 13.1 14.4 |
2.00 3.64 4 |
15.6 13 10.4 |
2960 | 3 | 40 | 0.5~2.5 |
| 50SFY-25 | 7.92 14.4 15.8 |
2.20 4 4.4 |
30 25 20 |
2960 | 4 | 40 | 0.5~2.5 |
| 50SFY-25A | 7.20 13.1 14.4 |
2.00 3.64 4 |
24.8 20.7 16.6 |
2960 | 3 | 40 | 0.5~2.5 |
注:液下長度為安裝盤下至過濾網底之長度。
SFY立式液下泵性能表 II
| 泵型號 | 流量Q | 揚程 H(mm) |
轉速 n(r/min) |
電機功率 P(KW) |
出口直徑D(mm) | 液下長度 L(m) |
|
| m3/h | L/s | ||||||
| 50SFY-40 | 7.92 14.4 15.8 |
2.20 4 4.4 |
48 40 32 |
2960 | 7.5 | 40 | 0.5~2.5 |
| 50SFY-40 | 3.96 7.2 7.9 |
1.1 2.0 2.2 |
12 10 8 |
1480 | 1.5 | 40 | 0.5~2.5 |
| 50SFY-40A | 7.2 13.1 14.4 |
2.0 3.64 4.0 |
39.6 33 26.4 |
2960 | 5.5 | 40 | 0.5~2.5 |
| 50SFY-40A | 3.6 6.6 7.2 |
1.0 1.832.0 |
9.9 8.2 6.6 |
1480 | 1.5 | 40 | 0.5~2.5 |
| 65SFY-16 | 15.8 28.8 33.1 |
4.4 8 9.1 |
18.8 15.7 12.6 |
2960 | 4 | 50 | 0.75~2.5 |
| 65SFY-16A | 14.4 26.2 30.2 |
4.0 7.28 8.40 |
15.6 13 10.4 |
2960 | 3 | 50 | 0.75~2.5 |
| 65SFY-25 | 15.8 28.8 33.1 |
4.4 8 9.2 |
30 25 20 |
2960 | 5.5 | 50 | 0.75~2.5 |
| 65SFY-25A | 14.4 26.2 30.2 |
4.0 7.28 8.40 |
24.8 20.7 16.6 |
2960 | 5.5 | 50 | 0.75~2.5 |
| 65SFY-40 | 15.8 28.8 33.1 |
4.4 8 9.2 |
47.4 39.5 31.6 |
2960 | 11 | 50 | 0.75~2.5 |
| 65SFY-40 | 7.9 14.4 16.5 |
2.2 4.0 4.6 |
11.8 9.6 7.9 |
1480 | 2.2 | 50 | 0.75~2.5 |
| 65 SFY-40A | 14.4 26.2 30.2 |
4.0 7.28 8.4 |
39.2 32.7 26.2 |
2960 | 11 | 50 | 0.75~2.5 |
| 65SFY-40A | 7.2 13.1 15.1 |
2.0 3.6 4.2 |
9.6 8.2 6.5 |
1480 | 2.2 | 50 | 0.75~2.5 |
| 80SFY-15 | 29.7 54 64.6 |
6.25 15 18 |
18 15 12 |
2960 | 7.5 | 65 | 1~2.5 |
| 80SFY-15A | 27 49.1 58.9 |
7.5 13.66 16.38 |
14.9 12.4 9.9 |
2960 | 7.5 | 65 | 1~2.5 |
| 80SFY-24 | 29.7 54 64.6 |
6.25 15 18 |
28.8 24 19.2 |
2960 | 11 | 65 | 1~2.5 |
| 80SFY-24A | 27 49.1 58.9 |
7.5 13.65 16.36 |
23.9 19.9 15.9 |
2960 | 11 | 65 | 1~2.5 |
| 80SFY-38 | 29.7 54 64.8 |
8.25 15 16 |
45.6 38 30.4 |
2960 | 18.5 | 65 | 1~2.5 |
| 80SFY-38 | 14.8 27 32.4 |
4.1 7.5 9.0 |
11.4 9.5 7.6 |
1480 | 3.0 | 65 | 1~2.5 |
注:液下長度為安裝盤下至過濾網底之長度。
SFY立式液下泵性能表 III
| 泵型號 | 流量Q | 揚程 H(mm) |
轉速 n(r/min) |
電機功率 P(KW) |
出口直徑D(mm) | 液下長度 L(m) |
|
| m3/h | L/s | ||||||
| 80SFY-38A | 27 40.1 58.9 |
7.5 13.84 16.36 |
37.8 31.5 25.2 |
2960 | 15 | 65 | 1~2.5 |
| 80SFY-38A | 13.5 24.5 29.5 |
3.75 6.8 8.2 |
9.5 7.8 6.3 |
1480 | 2.2 | 65 | 1~2.5 |
| 100SFY-23 | 55.4 100.8 120 |
15.4 28 33.6 |
27 22.5 18 |
2960 | 18.5 | 80 | 1~2.5 |
| 100SFY-23A | 50.5 91.8 110 |
14 25.5 30.6 |
22.3 18.6 14.9 |
2960 | 15 | 80 | 1~2.5 |
| 100SFY-37 | 55.4 100.8 120 |
15.4 28 33.6 |
43.8 36.5 29.2 |
2960 | 22 | 80 | 1~2.5 |
| 100SFY-37 | 27.7 50.4 60 |
7.7 14 16.7 |
11 9.1 7.3 |
1480 | 4.0 | 80 | 1~2.5 |
| 100SFY-37A | 50.5 91.8 110 |
14 25.5 30.6 |
36.2 30.2 24.2 |
2960 | 22 | 80 | 1~2.5 |
| 100SFY-37A | 25.2 45.0 55 |
7.0 12.8 27.5 |
9.1 7.5 6.1 |
1480 | 3.0 | 80 | |
| 150SFY-22 | 104.4 190.8 226.6 |
29 53 63 |
26.4 22 17.6 |
2960 | 30 | 125 | 1~2.5 |
| 150SFY-22A | 95.4 173.5 200 |
25.5 48.2 58 |
21.8 18.2 14.6 |
2960 | 22 | 125 | 1~2.5 |
| 150SFY-35 | 104.4 190.8 226.8 |
29 53 63 |
41.5 34.7 27.8 |
1480 | 45 | 125 | 1~2.5 |
| 150SFY-35 | 69.5 127 151 |
19.3 35.3 41.9 |
18.5 15.4 12.4 |
980 | 15 | 125 | 1~2.5 |
| 150SFY-35A | 95.4 173.5 209 |
26.5 48.2 58 |
34.6 28.8 23.1 |
1480 | 37 | 125 | 1~2.5 |
| 150SFY-35A | 63.6 115.7 139.3 |
17.7 32.1 36.7 |
15.4 12.8 10.2 |
980 | 11 | 125 | 1~2.5 |
| 200SFY-21 | 198 360 396 |
55 100 110 |
25.2 21 16.8 |
1480 | 45 | 150 | 1~2.5 |
| 200SFY-21 | 132 240 284 |
36.7 66.7 73.3 |
11.2 9.3 7.5 |
980 | 15 | 150 | 1~2.5 |
| 200SFY-21A | 180 327 360 |
50 91 100 |
20.9 17.4 13.9 |
1480 | 37 | 150 | 1~2.5 |
| 200SFY-21A | 120 218 240 |
33.3 60.6 66.7 |
9.3 7.7 6.2 |
980 | 11 | 150 | 1~2.5 |
注:液下長度為安裝盤下至過濾網底之長度。
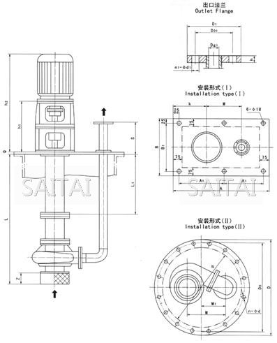
SFY立式液下泵安裝尺寸表

SFY立式液下泵結構圖
| 泵型號 | 尺寸(mm) | |||||||||||||||||||||
| ф | M | M1 | L1 | L | Dg1 | D1 | Do | h | s | nr-фd1 | D | Do | O | n-фd | A | A1 | B | B1 | K | 軸承架 | Z | |
| 25SFY-16 | Ф450 | 225 | 162 | 1200 | 500 ~ 2500 |
Ф25 | Ф115 | Ф85 | 14 | 109 | 4-ф14 | Ф580 | Ф540 | 25 | 12-ф18 | 600 | 275 | 430 | 380 | 237 | 01 | 72 |
| 25SFY-25 | ||||||||||||||||||||||
| 25SFY-41 | ||||||||||||||||||||||
| 40SFY-16 | Ф32 | Ф135 | Ф100 | 16 | 4-ф18 | 82 | ||||||||||||||||
| 40SFY-26 | ||||||||||||||||||||||
| 40SFY-40 | ||||||||||||||||||||||
| 50SFY-16 | Ф40 | Ф145 | Ф110 | 92 | ||||||||||||||||||
| 50SFY-25 | ||||||||||||||||||||||
| 50SFY-40 | ||||||||||||||||||||||
| 65SFY- | Ф580 | 308 | 210 | 1300 | 750 ~ 2500 |
Ф50 | Ф160 | Ф125 | 120 | 4-Ф18 | Ф700 | Ф650 | 30 | 16-Ф18 | 750 | 350 | 510 | 460 | 277 | 02 | 117 | |
| 65SFY- | ||||||||||||||||||||||
| 65SFY- | ||||||||||||||||||||||
| 80SFY- | 1000 ~ 2500 |
Ф65 | Ф180 | Ф145 | 18 | 137 | ||||||||||||||||
| 80SFY- | ||||||||||||||||||||||
| 80SFY- | ||||||||||||||||||||||
| 100SFY-23 | Ф80 | Ф195 | Ф160 | 20 | 128 | |||||||||||||||||
| 100SFY-37 | ||||||||||||||||||||||
| 150SFY-22 | Ф800 | 385 | 250 | 1200 | 1000 ~2500 |
Ф125 | Ф270 | Ф220 | 22 | 250 | 8-Ф18 | Ф1000 | Ф950 | 35 | 20-Ф25 | 1100 | 525 | 720 | 670 | 415 | 03 | 164 |
| 150SFY-35 | ||||||||||||||||||||||
| 200SFY-21 | Ф150 | Ф300 | Ф250 | 198 | ||||||||||||||||||
注:
1.本網頁的SFY型立式液下泵結構、結構圖、尺寸、參數、流量、揚程、電機轉速等主要性能參數,以及安裝尺寸圖、安裝尺寸表均隻適用於參考,詳細CAD圖、安裝圖、以及產品說明書請向賽泰水泵營銷人員索取。
2.由於編輯水平有限,錯誤和不妥之處在所難免,真誠希望您批評指正。
SFY型立式液下泵相關產品
下一頁:SLY型長軸液下泵
返回至本係列目錄:液下泵
上一頁:FYS型耐腐蝕液下泵