UFZ-4型浮標液位計
產品及安裝簡圖

UFZ-4型浮標液位計結構圖
產品概述及結構原理
UHZ-4型浮標液位計是一種簡易的液位測量儀表,浮標液位計適用於石油化工係統中貯有腐蝕性介質的槽、罐、油田、油庫等的平底錐蓋及拱頂容器以及一般企業、民用建築的水塔(水箱)所需價格低廉的爺爺閏測量,以解決人工測量液位的困難。浮標液位計結構原理:浮標液位計是根據力平衡原理設計的。當液位處於某一高度時附表重量為W,重錘針重量為W1,浮標盡在液體中所收到的浮力為F,係統摩擦為f。在平衡狀態下:當液位上升時,浮力F增大,W、W1和f均不變,上式平衡破壞,垂指針下滑。知道F力減少到原來值,新的平衡才建立。如F力li一yi直zhi在zai增zeng大da,即ji液ye位wei一yi直zhi在zai上shang長chang,指zhi針zhen一yi直zhi下xia滑hua。反fan之zhi,液ye位wei下xia降jiang,則ze重zhong錘chui指zhi針zhen上shang升sheng,以yi此ci來lai指zhi示shi液ye位wei的de高gao度du。浮fu標biao液ye位wei計ji主zhu要yao技ji術shu參can數shu:測量範圍:0~20m內任意選擇;指標精度:±20mm;工作壓力:常壓或±20mmH2O(帶V型密封管);介質密度:≥0.6 g/cm3;導向鋼絲安裝鉛直度:≤±5;材質:接液部分1Cr18Ni9Ti;指示標尺 鋁合金。

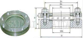
視鏡JB595-64 HGJ501-86

帶頸視鏡 JB595-64-1-8 HGJ502-86-1-20
主要尺寸
| 公稱 直徑 DN | 公稱 壓力MPa | D | D1 | b1 | b2 | dH | h | ≈H | 雙頭螺栓 | 總量 kg | 標準圖圖號 | ||
| 碳素鋼 Ⅰ | 不鏽鋼 Ⅱ | ||||||||||||
| 50 | 0.6 | 115 | 90 | 14 | 12 | 57 | 45 | 73 | 6 | M10 | 1.69 | JB595-64-1 | JB595-64-5 |
| 80 | 0.6 | 145 | 120 | 18 | 14 | 89 | 50 | 82 | 8 | M10 | 3.25 | JB595-64-2 | JB595-64-6 |
| 125 | 0.6 | 205 | 175 | 20 | 16 | 133 | 50 | 88 | 8 | M12 | 6.65 | JB595-64-3 | JB595-64-7 |
| 150 | 0.6 | 230 | 200 | 22 | 18 | 159 | 60 | 100 | 8 | M12 | 8.61 | JB595-64-4 | JB595-64-8 |
| 50 | 1.0 | 130 | 100 | 22 | 22 | 57 | 70 | 113 | 6 | M12 | 4.2 | HGJ502-86-1 | HGJ5021-86-11 |
| 1.6 | 130 | 100 | 24 | 24 | 57 | 70 | 116 | 6 | M12 | 4.5 | HGJ502-86-2 | HGJ5021-86-12 | |
| 2.5 | 130 | 100 | 26 | 26 | 57 | 70 | 120 | 6 | M12 | 5.0 | HGJ5021-86-3 | HGJ5021-86-13 | |
| 80 | 1.0 | 160 | 130 | 24 | 24 | 89 | 70 | 120 | 8 | M12 | 6.4 | HGJ502-86-4 | HGJ5021-86-14 |
| 1.6 | 160 | 130 | 26 | 26 | 89 | 70 | 127 | 8 | M12 | 7.0 | HGJ502-86-5 | HGJ5021-86-15 | |
| 2.5 | 160 | 130 | 28 | 28 | 89 | 70 | 128 | 8 | M12 | 7.4 | HGJ502-86-6 | HGJ5021-86-16 | |
| 100 | 1.0 | 200 | 165 | 26 | 26 | 108 | 80 | 142 | 8 | M16 | 10.9 | HGJ502-86-7 | HGJ5021-86-17 |
| 1.6 | 200 | 165 | 28 | 28 | 108 | 80 | 143 | 8 | M16 | 11.6 | HGJ502-86-8 | HGJ5021-86-18 | |
| 125 | 1.0 | 225 | 190 | 28 | 28 | 133 | 80 | 143 | 8 | M16 | 13.6 | HGJ502-86-9 | HGJ5021-86-19 |
| 150 | 1.0 | 250 | 215 | 30 | 30 | 159 | 80 | 150 | 12 | M16 | 17.4 | HGJ502-86-10 | HGJ5021-86-20 |
注:
1.本網頁的UFZ-4型浮標液位計結構、結構圖、尺寸、參數均隻適用於參考,詳細CAD圖、安裝圖、以及產品說明書請向賽泰閥門營銷人員索取。
2.由於編輯水平有限,錯誤和不妥之處在所難免,真誠希望您批評指正。
UFZ-4型浮標液位計相關產品
下一頁:UHZ磁性液位計
返回至本係列目錄:液位計
上一頁:B43H-64石英管式水位表