XBD-W型臥式多級消防離心泵
XBD-W型臥式多級消防離心泵(簡稱:XBD-W臥式消防泵),係新型臥式、單吸多級、分段式結構多級XBD消防泵係列產品,是新開發生產的節能型產品。本產品依據國際標準ISO2858及國家新頒布的GB6245-1998《消防泵性能要求和試驗方法》的規範要求,采用先進的水力模型,引進結合臥式多級泵的特點設計製造的專用消防泵。產品具有效率高、汽蝕性能好、振動小、噪音低、運行平穩等優點。 XBD-W臥式消防泵全係列共有5個品種40個規格,其性能範圍額定流量為5~40L/s,壓力範圍為0.18~2.0Mpa,配套功率範圍為2.2~180KW,口徑範圍為ф50~ф150mm。XBD-W型臥式多級消防泵組可供輸送不含固體顆粒的清水及物理化學性質類似於水的液體之用。主要用於消防係統增壓送水、采暖、浴室、鍋爐冷暖水循環增壓、空調製冷係統送水及設備配套等場合。

XBD-W型臥式多級消防離心泵
XBD-W臥式消防泵型號意義

XBD-W臥式消防泵型號意義
XBD-W臥式消防泵主要特點
1、 泵結構緊湊、布置合理、外形美觀。
2、 進、出口徑相同,便於管路連接。
3、 泵運行平穩、噪音低、壽命長。
4、 密封可靠、無泄漏。
5、 流量和壓力可根據需要增減泵級數並結合切割葉輪外徑予以滿足。
。
XBD-W臥式消防泵用途
XBD-W型係列消防泵適用於消防管路增壓送水。供輸送清水或物理、化學性質類似於清水的其它液體進行增壓之用。使用介質溫度不超過80℃,也適用於工業和城市給排水、高層建築增壓送水、園林噴灌、遠距離送水、采暖、浴室等冷暖水循環增壓及設備配套等。
XBD-ISG消防泵性能參數
1、 該泵為立式、duojijieduanshijiegou,bengjinchushuifalanchuzaitongyizhixianshang,yeluncaiyongshuilipinghengfangpinghengzhouxiangli。bengxiaduanyouyidaozhoucheng,zhoutongguojiakelianzhouqiyudianjizhougudingchuandong,waitongweibuxiugangtong。
2、 軸封采用機械密封。
3、 泵由電機驅動,從電機端方向看,泵順時針方向旋轉。
4、 泵出口設有排氣閥(氣嘴),可保證泵內氣體能完全排盡。
5、 葉輪可采用青銅材料,避免長期停機後葉輪與導葉間鏽合。
XBD-W臥式消防泵主要部件材料
| 名 稱 | 材料 | 標 準 | |
| 泵體 | 鑄鐵 | HT200 | GB9439-88 |
| 球鐵 | QT400-18 | GB1348-88 | |
| 中段 | 鑄鐵 | HT200 | GB9439-88 |
| 球鐵 | QT400-18 | GB1348-88 | |
| 葉輪 | 銅合金 | ZcuSn10Zn2 | GB1176-88 |
| 軸 | 不鏽鋼 | 2Cr13 | GB3077-88 |
| 軸封 | 填料 | 柔性石墨 | |
| 機械密封 | 橡膠波紋管 | 博格曼DIN24960 | |
XBD-W臥式消防泵結構說明

XBD-W臥式消防泵結構說明
結構如圖所示,XBD-W型消防泵組為單吸多級節段式離心泵,其吸入口為水平方向,吐出口為垂直向上布置。本係列共有5種口徑,用戶可根據流量、壓力的需要選擇不同的口徑、不同級數的泵予以滿足。 泵由泵體部件和轉子部件所組成。泵體部件由進水段、中段、導葉、出水段、尾蓋和軸承體等部件組成,轉子部件由不鏽鋼軸、銅合金葉輪、平衡盤和軸套等組成。轉子;兩端支承在油脂潤的滾動軸承上。 進水段、中zhong段duan和he出chu水shui段duan的de結jie合he麵mian用yong紙zhi墊dian通tong過guo拉la緊jin達da到dao密mi封feng。為wei防fang止zhi水shui從cong兩liang端duan出chu軸zhou泄xie漏lou,設she有you填tian料liao密mi封feng,也ye可ke采cai用yong機ji械xie密mi封feng,同tong時shi在zai軸zhou上shang裝zhuang有you橡xiang膠jiao擋dang水shui圈quan、O型橡膠密封圈,以防水進入軸承腔內。 為防止中段和導葉磨損,設有葉輪密封環和導葉套等易損零件,當這些零件磨損到一定程度後,應予以更換。 泵和電動機裝在公共底座上,通過彈性聯軸器傳動。
XBD-W臥式消防泵性能曲線表
| 型號 | 流量 Q | 壓力 P | 轉速 n | 效率η | 功率 N | 必需氣蝕餘量rM |
| L/S | Mpa | r/min | % | Kw | ||
| XBD1.8/5-50W | 4 5 6 | 0.20 0.18 0.16 | 1450 | 62 65 66 | 2.2 | 3.2 |
| XBD2.7/5-50W | 4 5 6 | 0.03 0.27 0.24 | 1450 | 62 65 66 | 3 | 3.2 |
| XBD3.6/5-50W | 4 5 6 | 0.40 0.36 0.32 | 1450 | 62 65 66 | 4 | 3.2 |
| XBD4.5/5-50W | 4 5 6 | 0.50 0.45 0.40 | 1450 | 62 65 66 | 5.5 | 3.2 |
| XBD5.4/5-50W | 4 5 6 | 0.60 0.54 0.48 | 1450 | 62 65 66 | 5.5 | 3.2 |
| XBD6.3/5-50W | 4 5 6 | 0.70 0.63 0.56 | 1450 | 62 65 66 | 7.5 | 3.2 |
| XBD7.2/5-50W | 4 5 6 | 0.80 0.72 0.64 | 1450 | 62 65 66 | 7.5 | 3.2 |
| XBD8.1/5-50W | 4 5 6 | 0.90 0.81 0.72 | 1450 | 62 65 66 | 7.5 | 3.2 |
| XBD2.3/10-75W | 8 10 12 | 0.25 0.23 0.20 | 1450 | 63 68 66 | 5.5 | 3.0 |
| XBD3.4/10-75W | 8 10 12 | 0.37 0.34 0.30 | 1450 | 63 68 66 | 7.5 | 3.0 |
| XBD4.6/10-75W | 8 10 12 | 0.50 0.46 0.40 | 1450 | 63 68 66 | 11 | 3.0 |
| XBD5.5/10-75W | 8 10 12 | 0.62 0.55 0.50 | 1450 | 63 68 66 | 11 | 3.0 |
| XBD6.9/10-75W | 8 10 12 | 0.75 0.69 0.60 | 1450 | 63 68 66 | 15 | 3.0 |
| XBD8.0/10-75W | 8 10 12 | 0.87 0.80 0.70 | 1450 | 63 68 66 | 15 | 3.0 |
| XBD9.2/10-75W | 8 10 12 | 1.00 0.92 0.80 | 1450 | 63 68 66 | 18.5 | 3.0 |
| XBD10.3/10-75W | 8 10 12 | 1.12 1.03 0.90 | 1450 | 63 68 66 | 18.5 | 3.0 |
| XBD2.9/20-100W | 15 20 25 | 0.32 0.29 0.26 | 1450 | 68 72 70 | 11 | 3.5 |
| XBD4.3/20-100W | 15 20 25 | 0.48 0.43 0.39 | 1450 | 68 72 70 | 15 | 3.5 |
| XBD5.8/20-100W | 15 20 25 | 0.64 0.58 0.52 | 1450 | 68 72 70 | 22 | 3.5 |
| XBD7.2/20-100W | 15 20 25 | 0.80 0.72 0.65 | 1450 | 68 72 70 | 30 | 3.5 |
| 型號 | 流量 Q L/S | 壓力 P | 轉速 n | 效率η | 功率 N | 必需氣蝕餘量rM |
| Mpa | r/min | % | Kw | |||
| XBD8.6/20-100W | 15 20 25 | 0.96 0.86 0.78 | 1450 | 68 72 70 | 30 | 3.5 |
| XBD10.1/20-100W | 15 20 25 | 1.12 1.01 0.91 | 1450 | 68 72 70 | 37 | 3.5 |
| XBD11.5/20-100W | 15 20 25 | 1.28 1.15 1.04 | 1450 | 68 72 70 | 45 | 3.5 |
| XBD13.0/20-100W | 15 20 25 | 1.44 1.30 1.17 | 1450 | 68 72 70 | 45 | 3.5 |
| XBD4.2/25-125W | 20 25 30 | 0.44 0.42 0.38 | 1450 | 69 73 74 | 22 | 3.5 |
| XBD6.3/25-125W | 20 25 30 | 0.66 0.63 0.57 | 1450 | 69 73 74 | 30 | 3.5 |
| XBD8.4/25-125W | 20 25 30 | 0.88 0.84 0.76 | 1450 | 69 73 74 | 45 | 3.5 |
| XBD10.5/25-125W | 20 25 30 | 1.10 1.05 0.95 | 1450 | 69 73 74 | 55 | 3.5 |
| XBD12.6/25-125W | 20 25 30 | 1.32 1.26 1.14 | 1450 | 69 73 74 | 75 | 3.5 |
| XBD14.7/25-125W | 20 25 30 | 1.54 1.47 1.38 | 1450 | 69 73 74 | 75 | 3.5 |
| XBD16.8/25-125W | 20 25 30 | 1.76 1.68 1.52 | 1450 | 69 73 74 | 90 | 3.5 |
| XBD18.9/25-125W | 20 25 30 | 1.98 1.89 1.71 | 1450 | 69 73 74 | 90 | 3.5 |
| XBD5.8/45-150W | 35 45 55 | 0.62 0.58 0.52 | 1450 | 72 76 78 | 45 | 3.0 |
| XBD8.7/45-150W | 35 45 55 | 0.93 0.87 0.78 | 1450 | 72 76 78 | 75 | 3.0 |
| XBD11.6/45-150W | 35 45 55 | 1.24 1.16 1.04 | 1450 | 72 76 78 | 90 | 3.0 |
| XBD14.5/45-150W | 35 45 55 | 1.55 1.45 1.30 | 1450 | 72 76 78 | 110 | 3.0 |
| XBD17.4/45-150W | 35 45 55 | 1.86 1.74 1.56 | 1450 | 72 76 78 | 135 | 3.0 |
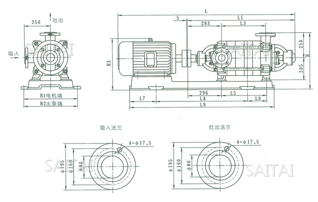
XBD1.8~8.1/5-50W型消防泵外形及安裝尺寸

XBD1.8~8.1/5-50W型消防泵外形及安裝尺寸
| 泵型號 | 級數 n | 外形安裝尺寸 | 電動機 | 重量 Kg | ||||||||||||
| L | L1 | L3 | L5 | L6 | L7 | L8 | L9 | H | H3 | B1 | B2 | 型號 | KW | |||
| XBD1.8/5-50W | 2 | 1087 | 707 | 160 | 145 | 33 | 141 | 600 | 901 | 480 | 415 | 335 | 430 | Y100 L1-4 | 2.2 | 158 |
| XBD2.7/5-50W | 3 | 1152 | 772 | 225 | 210 | 98 | 141 | 600 | 901 | 480 | 415 | 335 | 430 | Y100 L2-4 | 3 | 186 |
| XBD3.6/5-50W | 4 | 1237 | 837 | 290 | 275 | 128 | 144 | 640 | 974 | 480 | 423 | 375 | 430 | Y112M-4 | 4 | 222 |
| XBD4.5/5-50W | 5 | 1377 | 902 | 355 | 340 | 132 | 153 | 740 | 1153 | 490 | 463 | 430 | 430 | Y132S-4 | 5.5 | 263 |
| XBD5.4/5-50W | 6 | 1442 | 967 | 420 | 405 | 197 | 153 | 740 | 1153 | 490 | 463 | 430 | 430 | Y132S-4 | 5.5 | 283 |
| XBD6.3/5-50W | 7 | 1547 | 1032 | 485 | 470 | 197 | 156 | 840 | 1321 | 490 | 463 | 430 | 430 | Y132M-4 | 7.5 | 313 |
| XBD7.2/5-50W | 8 | 1612 | 1097 | 550 | 535 | 262 | 156 | 840 | 1321 | 490 | 463 | 430 | 430 | Y132M-4 | 7.5 | 333 |
| XBD8.1/5-50W | 9 | 1677 | 1162 | 615 | 600 | 297 | 166 | 860 | 1386 | 490 | 463 | 430 | 430 | Y132M-4 | 7.5 | 353 |
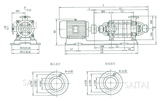
XBD2.3~10.3/10-75W型消防泵外形及安裝尺寸

XBD2.3~10.3/10-75W型消防泵外形及安裝尺寸
| 泵型號 | 級數 n | 外形安裝尺寸 | 電動機 | 重量 Kg | ||||||||||||
| L | L1 | L3 | L5 | L6 | L7 | L8 | L9 | H | H3 | B1 | B2 | 型號 | KW | |||
| XBD2.3/10-75W | 2 | 1241 | 766 | 257 | 180 | 89 | 145 | 630 | 926 | 535 | 468 | 410 | 475 | Y132S-4 | 5.5 | 249 |
| XBD3.4/10-75W | 3 | 1361 | 846 | 337 | 260 | 128 | 165 | 690 | 1046 | 545 | 478 | 410 | 475 | Y132M-4 | 7.5 | 291 |
| XBD4.6/10-75W | 4 | 1526 | 926 | 417 | 340 | 171 | 180 | 830 | 1284 | 545 | 520 | 475 | 475 | Y160M-4 | 11 | 367 |
| XBD5.5/10-75W | 5 | 1606 | 1006 | 497 | 420 | 211 | 180 | 830 | 1284 | 545 | 520 | 475 | 475 | Y160M-4 | 11 | 399 |
| XBD6.9/10-75W | 6 | 1731 | 1086 | 577 | 500 | 245 | 200 | 980 | 1488 | 545 | 520 | 475 | 475 | Y160L-4 | 15 | 451 |
| XBD8.1/10-75W | 7 | 1811 | 1166 | 657 | 580 | 245 | 200 | 980 | 1488 | 545 | 520 | 475 | 475 | Y160L-4 | 15 | 483 |
| XBD9.2/10-75W | 8 | 1916 | 1246 | 737 | 660 | 239 | 200 | 1150 | 1653 | 560 | 560 | 480 | 480 | Y180M-4 | 18.5 | 552 |
| XBD10.3/10-75W | 9 | 1996 | 1326 | 817 | 740 | 239 | 200 | 1150 | 1653 | 560 | 560 | 480 | 480 | Y180M-4 | 18.5 | 584 |
XBD2.9~13.0/20-100W型消防泵外形及安裝尺寸

XBD2.9~13.0/20-100W型消防泵外形及安裝尺寸
| 泵型號 | 級數 n | 外形安裝尺寸 | 電動機 | 重量 Kg | ||||||||||||
| L | L1 | L3 | L5 | L6 | L7 | L8 | L9 | H | H3 | B1 | B2 | 型號 | KW | |||
| XBD2.9/20-100W | 2 | 1575 | 975 | 255 | 200 | 100 | 180 | 900 | 1322 | 610 | 535 | 505 | 505 | Y160M-4 | 11 | 478 |
| XBD4.3/20-100W | 3 | 1720 | 1075 | 355 | 300 | 149 | 200 | 900 | 1322 | 610 | 535 | 505 | 505 | Y160L-4 | 15 | 550 |
| XBD5.8/20-100W | 4 | 1885 | 1175 | 455 | 400 | 200 | 215 | 975 | 1463 | 610 | 560 | 505 | 525 | Y180L-4 | 22 | 647 |
| XBD7.2/20-100W | 5 | 2050 | 1275 | 555 | 500 | 202 | 230 | 1240 | 1701 | 620 | 595 | 525 | 525 | Y200L-4 | 30 | 778 |
| XBD8.6/20-100W | 6 | 2150 | 1375 | 655 | 600 | 157 | 230 | 1240 | 1701 | 620 | 595 | 525 | 525 | Y200L-4 | 30 | 829 |
| XBD10.1/20-100W | 7 | 2295 | 1475 | 755 | 700 | 198 | 230 | 1330 | 1832 | 630 | 635 | 565 | 565 | Y225S-4 | 37 | 894 |
| XBD11.5/20-100W | 8 | 2420 | 1575 | 855 | 800 | 199 | 235 | 1450 | 1959 | 640 | 645 | 565 | 565 | Y225M-4 | 45 | 945 |
| XBD13.0/20-100W | 9 | 2520 | 1675 | 955 | 900 | 199 | 235 | 1550 | 2059 | 640 | 645 | 565 | 565 | Y225M-4 | 45 | 996 |
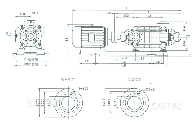
XBD4.2~18.9/25-125W型消防泵外形及安裝尺寸

XBD4.2~18.9/25-125W型消防泵外形及安裝尺寸
| 泵型號 | 級數 n | 外形安裝尺寸 | 電動機 | 重量 Kg | ||||||||||||
| L | L1 | L3 | L5 | L6 | L7 | L8 | L9 | H | H3 | B1 | B2 | 型號 | KW | |||
| XBD4.2/25-125W | 2 | 1827 | 1117 | 325 | 225 | 109 | 220 | 975 | 1387 | 700 | 600 | 495 | 565 | Y180L-4 | 22 | 665 |
| XBD6.3/25-125W | 3 | 2017 | 1242 | 450 | 350 | 176 | 230 | 1060 | 1549 | 700 | 625 | 565 | 565 | Y200L-4 | 30 | 825 |
| XBD8.4/25-125W | 4 | 2212 | 1367 | 575 | 475 | 225 | 240 | 1170 | 1728 | 710 | 665 | 565 | 565 | Y225M-4 | 45 | 925 |
| XBD10.5/25-125W | 5 | 2422 | 1492 | 700 | 600 | 299 | 270 | 1270 | 1924 | 725 | 700 | 620 | 620 | Y250M-4 | 55 | 1046 |
| XBD12.6/25-125W | 6 | 2617 | 1617 | 825 | 725 | 262 | 305 | 1430 | 2243 | 755 | 765 | 675 | 570 | Y280S-4 | 75 | 1400 |
| XBD14.7/25-125W | 7 | 2742 | 1742 | 950 | 850 | 422 | 305 | 1430 | 2243 | 755 | 765 | 675 | 570 | Y280S-4 | 75 | 1485 |
| XBD16.8/25-125W | 8 | 1917 | 1867 | 1075 | 975 | 483 | 330 | 1580 | 2544 | 755 | 765 | 675 | 570 | Y280M-4 | 90 | 1755 |
| XBD18.9/25-125W | 9 | 3042 | 1992 | 1200 | 1100 | 548 | 330 | 1580 | 2544 | 755 | 765 | 675 | 570 | Y280M-4 | 90 | 1760 |
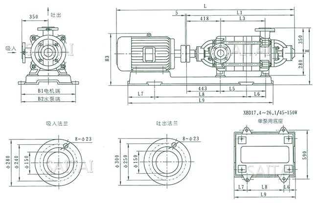
XBD5.8~21.6/45-150W型消防泵外形及安裝尺寸

XBD5.8~21.6/45-150W型消防泵外形及安裝尺寸
| 泵型號 | 級數 n | 外形安裝尺寸 | 電動機 | 重量 Kg | ||||||||||||
| L | L1 | L3 | L5 | L6 | L7 | L8 | L9 | H | H3 | B1 | B2 | 型號 | KW | |||
| XBD5.8/45-150W | 2 | 4964 | 1119 | 315 | 237 | 148 | 240 | 1000 | 1437 | 720 | 675 | 575 | 605 | Y225M-4 | 45 | 860 |
| XBD8.7/45-150W | 3 | 2234 | 1234 | 430 | 352 | 148 | 305 | 1165 | 1735 | 735 | 745 | 675 | 610 | Y280S-4 | 75 | 1166 |
| XBD11.6/45-150W | 4 | 2399 | 1349 | 545 | 467 | 195 | 330 | 1260 | 1922 | 745 | 755 | 675 | 610 | Y280M-4 | 90 | 1353 |
| XBD14.5/45-150W | 5 | 2664 | 1464 | 660 | 582 | 169 | 330 | 1470 | 2129 | 780 | 885 | 765 | 620 | Y315S-4 | 110 | 1768 |
| XBD17.4/45-150W | 6 | - | 1579 | 775 | 697 | 130 | - | 550 | 810 | 725 | - | - | - | JS-115-4 | 135 | 1869 |
| XBD20.3/45-150W | 7 | - | 1694 | 890 | 812 | 150 | - | 625 | 925 | 725 | - | - | - | JS-116-4 | 155 | 2021 |
| XBD23.2/45-150W | 8 | - | 1809 | 1005 | 927 | 150 | - | 740 | 1040 | 725 | - | - | - | JS-117-4 | 180 | 2173 |
| XBD26.1/45-150W | 9 | - | 1924 | 1120 | 1042 | 150 | - | 855 | 1155 | 725 | - | - | - | JS-117-4 | 180 | 2255 |
注:
1.本網頁的XBD-W型臥式多級消防離心泵性能參數結構、結構圖、尺寸、參數、流量、揚程、電機轉速等主要性能參數,以及安裝尺寸圖、安裝尺寸表均隻適用於參考,詳細CAD圖、安裝圖、以及產品說明書請向賽泰水泵營銷人員索取。
2.由於編輯水平有限,錯誤和不妥之處在所難免,真誠希望您批評指正。
XBD-W型臥式多級消防離心泵相關產品
返回至本係列目錄:消防泵