FSB型氟塑料合金離心泵
FSB型氟塑料合金離心泵(簡稱:FSB氟塑料合金泵),選用當今世界優秀的耐腐蝕材料:氟塑料合金。我單位選用該材料生產的FSB-L、FSB-D係列FSB氟塑料合金泵,具有特強的耐腐蝕性能,且機械強度高,不老化,無毒素分解,可輸送任意濃度的酸、堿液、氧化劑及其它腐蝕性介質。廣泛適用於化工、石油、製藥、農藥、冶煉、染料、造紙、電鍍、食品等行業。的化工原料的管道輸送中。 FSB氟塑料合金泵采用特種泵工藝加工製造。適合於在-85°C~200°C條件下,長期輸送任意濃度的任意介質酸、氧化劑及腐蝕性介質。廣泛應用於化工、石油、製藥、農藥、燃料、油漆、冶煉、造紙、電鍍、電力、食品等行業。過流部分全部采用氟合金(聚四氟乙烯和聚全氟乙丙烯等多種氟材料經過合理配方)模壓、加工而成,具有較強的耐腐蝕性、機械強度高、不老化、無毒素分解等優點。FSB氟塑料合金泵再生產、製(zhi)造(zao)及(ji)驗(yan)收(shou)規(gui)範(fan),嚴(yan)格(ge)執(zhi)行(xing)了(le)有(you)關(guan)標(biao)準(zhun)規(gui)定(ding),並(bing)台(tai)台(tai)檢(jian)測(ce),備(bei)案(an)待(dai)查(zha)。其(qi)機(ji)械(xie)密(mi)封(feng)由(you)英(ying)國(guo)格(ge)蘭(lan)公(gong)司(si)與(yu)國(guo)內(nei)聯(lian)合(he)製(zhi)造(zao),性(xing)能(neng)十(shi)分(fen)可(ke)靠(kao),維(wei)修(xiu)方(fang)便(bian),節(jie)約(yue)能(neng)源(yuan),事(shi)杜(du)絕(jue)跑(pao)、冒、滴、漏建設文明工廠的理想防腐輸送設備。

FSB型氟塑料合金離心泵
FSB氟塑料合金泵結構說明

FSB氟塑料合金泵結構說明
FSB型氟塑料合金泵由泵體、葉輪、後蓋、密封件、支架、泵軸、軸承、聯軸器、吊緊螺栓、螺母、底板組成。
1、 泵體:左右兩邊連接部分內埋鋼質法蘭圈各一隻模壓塑料合金製成。
2、 後蓋右邊一側內埋一隻不鏽鋼(1Cr18Ni9Ti)模壓塑料合金而成。
3、 葉輪:采(cai)用(yong)接(jie)軸(zhou)連(lian)接(jie)方(fang)法(fa),金(jin)屬(shu)軸(zhou)為(wei)優(you)質(zhi)鋼(gang)精(jing)加(jia)工(gong)後(hou)外(wai)包(bao)塑(su)料(liao)合(he)金(jin)模(mo)壓(ya)而(er)成(cheng),使(shi)葉(ye)輪(lun)與(yu)金(jin)屬(shu)接(jie)軸(zhou)牢(lao)固(gu)地(di)結(jie)為(wei)一(yi)體(ti),保(bao)證(zheng)軸(zhou)根(gen)與(yu)葉(ye)輪(lun)後(hou)部(bu)承(cheng)受(shou)隨(sui)旋(xuan)轉(zhuan)時(shi)的(de)扭(niu)矩(ju)力(li),這(zhe)樣(yang)介(jie)質(zhi)浸(jin)濕(shi)部(bu)分(fen)為(wei)塑(su)料(liao)合(he)金(jin)。
4、 機械密封:采用WB2型、ST型不用冷卻水可調式端麵密封技術,由碳化矽、高純度氧化鋁陶瓷、填充四氟、石墨等材料製成。
FSB氟塑料合金泵性能參數表
| 規格型號 | 流量 m3/h | 揚程 m | 口徑 | 配用電機KW | 轉速 r/min | 吸上高度m | 效率 % | |
| 吸入mm | 吐出mm | |||||||
| 25FSB-10 | 1.5 | 10 | 25 | 20 | 1.5 | 2900 | 6 | 29 |
| 25FSB-18 | 3.6 | 18 | 25 | 20 | 2.2 | 2900 | 6 | 27 |
| 40FSB-15 | 5 | 15 | 40 | 32 | 3 | 2900 | 6 | 40 |
| 40FSB-20 | 10 | 20 | 40 | 32 | 4 | 2900 | 6 | 42 |
| 40FSB-30 | 10 | 30 | 40 | 32 | 4 | 2900 | 6 | 38 |
| 40FSB-40 | 10 | 40 | 40 | 32 | 5.5 | 2900 | 5.5 | 35 |
| 40FSB-50 | 10 | 50 | 40 | 32 | 7.5 | 2900 | 5 | 33 |
| 50FSB-20 | 15 | 20 | 50 | 40 | 4 | 2900 | 6 | 51 |
| 50FSB-25 | 15 | 25 | 50 | 40 | 4 | 2900 | 6 | 49 |
| 50FSB-30 | 15 | 30 | 50 | 40 | 4 | 2900 | 6 | 44.5 |
| 50FSB-40 | 15 | 40 | 50 | 32 | 5.5-7.5 | 2900 | 5.5 | 35 |
| 50FSB-50 | 15 | 50 | 50 | 32 | 7.5-11 | 2900 | 5.5 | 33 |
| 50FSB-63 | 15 | 63 | 50 | 32 | 11 | 2900 | 5.5 | 30 |
| 65FSB-32 | 29 | 32 | 65 | 50 | 5.5 | 2900 | 6 | 57 |
| 65FSB-40 | 29 | 40 | 65 | 40 | 11 | 2900 | 5.5 | 53 |
| 65FSB-50 | 29 | 50 | 65 | 40 | 15 | 2900 | 5.5 | 46 |
| 65FSB-64 | 29 | 64 | 65 | 50 | 15-18.5 | 2900 | 5.5 | 44 |
| 80FSB-20 | 50 | 20 | 80 | 65 | 5.5 | 2900 | 6 | 69 |
| 80FSB-30 | 50 | 30 | 80 | 65 | 7.5 | 2900 | 5.5 | 64 |
| 80FSB-34 | 50 | 34 | 80 | 65 | 11 | 2900 | 5.5 | 64 |
| 80FSB-40 | 50 | 40 | 80 | 50 | 11-15 | 2900 | 5.5 | 60 |
| 80FSB-50 | 50 | 50 | 80 | 50 | 15-18.5 | 2900 | 6 | 53 |
| 80FSB-55 | 50 | 55 | 80 | 50 | 15-18.5 | 2900 | 5.5 | 47 |
| 80FSB-80 | 50 | 80 | 80 | 50 | 30-37 | 2900 | 5.5 | 36 |
| 100FSB-32 | 100 | 32 | 100 | 80 | 18.5-22 | 2900 | 5.5 | 70 |
| 100FSB-40 | 100 | 40 | 100 | 80 | 18.5-22 | 2900 | 5.5 | 70 |
| 100FSB-50 | 100 | 50 | 100 | 65 | 22-30 | 2900 | 5.5 | 62 |
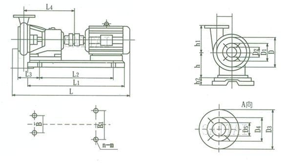
FSB氟塑料合金泵安裝示意圖

FSB氟塑料合金泵安裝示意圖
FSB氟塑料合金泵安裝尺寸表
| 規格型號 | L | L1 | L2 | L3 | L4 | D | D1 | D2 | D3 | D4 | D5 | B | B1 | d | h | h1 | h2 | n-m |
| 25FSB-10 | 940 | 730 | 455 | 130 | 380 | 100 | 75 | 25 | 110 | 90 | 20 | 250 | 310 | 65 | 112 | 130 | 78 | 4-ф18 |
| 25FSB-18 | 940 | 730 | 455 | 130 | 380 | 100 | 75 | 25 | 110 | 90 | 20 | 250 | 310 | 65 | 112 | 130 | 78 | 4-ф18 |
| 40FSB-15 | 940 | 730 | 455 | 130 | 400 | 130 | 100 | 40 | 130 | 100 | 32 | 250 | 310 | 80 | 112 | 130 | 78 | 4-ф18 |
| 40FSB-20 | 940 | 730 | 455 | 130 | 400 | 130 | 100 | 40 | 130 | 100 | 32 | 250 | 310 | 80 | 112 | 130 | 78 | 4-ф18 |
| 40FSB-30 | 940 | 730 | 455 | 130 | 400 | 130 | 100 | 40 | 130 | 100 | 32 | 250 | 310 | 80 | 112 | 130 | 78 | 4-ф18 |
| 40FSB-40 | 940 | 730 | 455 | 130 | 400 | 130 | 100 | 40 | 130 | 100 | 32 | 250 | 310 | 80 | 112 | 130 | 78 | 4-ф18 |
| 50FSB-20 | 940 | 730 | 455 | 130 | 400 | 130 | 100 | 50 | 130 | 100 | 32 | 250 | 310 | 80 | 112 | 130 | 78 | 4-ф18 |
| 50FSB-25 | 940 | 730 | 455 | 130 | 400 | 130 | 100 | 50 | 130 | 100 | 40 | 250 | 310 | 80 | 112 | 130 | 78 | 4-ф18 |
| 50FSB-30 | 940 | 730 | 455 | 130 | 400 | 130 | 100 | 50 | 130 | 100 | 40 | 250 | 310 | 80 | 112 | 130 | 78 | 4-ф18 |
| 50FSB-40 | 1045 | 830 | 560 | 130 | 400 | 130 | 100 | 50 | 130 | 100 | 40 | 250 | 375 | 80 | 112 | 130 | 78 | 4-ф18 |
| 50FSB-50 | 1045 | 830 | 560 | 130 | 400 | 130 | 100 | 50 | 130 | 100 | 40 | 250 | 375 | 80 | 112 | 130 | 78 | 4-ф18 |
| 65FSB-32 | 1045 | 830 | 560 | 240 | 410 | 185 | 135 | 65 | 160 | 135 | 50 | 250 | 375 | 95 | 132 | 150 | 65 | 4-ф18 |
| 65FSB-40 | 1045 | 830 | 560 | 240 | 410 | 185 | 135 | 65 | 160 | 135 | 50 | 250 | 375 | 100 | 132 | 185 | 65 | 4-ф18 |
| 65FSB-50 | 1045 | 830 | 560 | 240 | 410 | 185 | 150 | 65 | 160 | 135 | 50 | 250 | 375 | 100 | 132 | 185 | 65 | 4-ф18 |
| 80FSB-20 | 1045 | 830 | 560 | 240 | 410 | 185 | 150 | 80 | 160 | 135 | 65 | 250 | 375 | 95 | 132 | 150 | 65 | 4-ф18 |
| 80FSB-30 | 1045 | 830 | 560 | 240 | 410 | 185 | 150 | 80 | 160 | 135 | 65 | 250 | 375 | 95 | 132 | 150 | 65 | 4-ф18 |
| 80FSB-34 | 1045 | 830 | 560 | 240 | 410 | 185 | 150 | 80 | 160 | 135 | 65 | 250 | 375 | 95 | 132 | 150 | 65 | 4-ф18 |
| 80FSB-40 | 1045 | 830 | 560 | 240 | 410 | 185 | 150 | 80 | 160 | 135 | 65 | 250 | 375 | 100 | 132 | 185 | 65 | 4-ф18 |
| 80FSB-50 | 1045 | 830 | 560 | 240 | 410 | 185 | 150 | 80 | 160 | 135 | 50 | 250 | 375 | 100 | 132 | 185 | 65 | 4-ф18 |
| 80FSB-55 | 1310 | 970 | 610 | 245 | 500 | 185 | 150 | 80 | 160 | 135 | 65 | 330 | 430 | 110 | 160 | 205 | 100 | 4-ф18 |
| 80FSB-80 | 1310 | 970 | 640 | 245 | 500 | 185 | 150 | 80 | 160 | 135 | 65 | 330 | 430 | 135 | 160 | 205 | 100 | 4-ф18 |
| 100FSB-32 | 1330 | 970 | 640 | 245 | 500 | 185 | 150 | 100 | 160 | 135 | 65 | 330 | 430 | 110 | 160 | 205 | 120 | 4-ф18 |
| 100FSB-50 | 1360 | 970 | 640 | 245 | 500 | 185 | 150 | 100 | 160 | 135 | 65 | 300 | 430 | 110 | 160 | 205 | 160 | 4-ф18 |
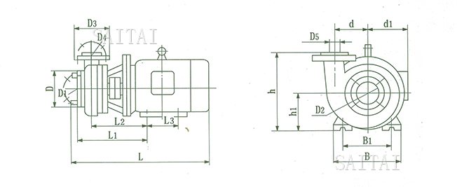
FSB-D短支架式氟塑料合金泵安裝示意圖

FSB-D短支架式氟塑料合金泵安裝示意圖
FSB-D短支架式氟塑料合金泵安裝尺寸表
| 規格型號 | L | L1 | L2 | L3 | D | D1 | D2 | D3 | D4 | D5 | B | B1 | d | d1 | h | h1 | 地腳螺栓 |
| 25FSB-10D | 470 | 220 | 185 | 125 | 100 | 75 | 25 | 110 | 90 | 20 | 180 | 140 | 65 | 155 | 210 | 90 | 4-ф10 |
| 25FSB-18D | 470 | 220 | 185 | 125 | 100 | 75 | 25 | 110 | 90 | 20 | 180 | 140 | 65 | 155 | 210 | 90 | 4-ф10 |
| 40FSB-15D | 540 | 245 | 200 | 125 | 130 | 100 | 40 | 130 | 100 | 32 | 205 | 160 | 80 | 180 | 240 | 100 | 4-ф12 |
| 40FSB-20D | 540 | 245 | 200 | 140 | 130 | 100 | 40 | 130 | 100 | 32 | 205 | 160 | 80 | 180 | 240 | 100 | 4-ф12 |
| 40FSB-30D | 540 | 245 | 200 | 140 | 130 | 100 | 40 | 130 | 100 | 32 | 205 | 160 | 80 | 180 | 240 | 100 | 4-ф12 |
| 50FSB-20D | 540 | 245 | 200 | 140 | 130 | 100 | 50 | 130 | 100 | 40 | 205 | 160 | 80 | 180 | 240 | 100 | 4-ф12 |
| 50FSB-25D | 540 | 245 | 200 | 140 | 130 | 100 | 50 | 130 | 100 | 40 | 205 | 160 | 80 | 180 | 240 | 100 | 4-ф12 |
| 50FSB-30D | 540 | 245 | 200 | 140 | 130 | 100 | 50 | 130 | 100 | 40 | 240 | 190 | 80 | 180 | 240 | 100 | 4-ф12 |
| 65FSB-32D | 720 | 345 | 276 | 140 | 185 | 150 | 65 | 185 | 135 | 50 | 280 | 216 | 95 | 210 | 282 | 100 | 4-ф12 |
| 80FSB-20D | 720 | 345 | 276 | 140 | 185 | 150 | 80 | 185 | 135 | 65 | 280 | 216 | 95 | 210 | 282 | 132 | 4-ф12 |
| 80FSB-30D | 720 | 345 | 276 | 140 | 185 | 150 | 80 | 185 | 135 | 65 | 280 | 216 | 95 | 210 | 282 | 132 | 4-ф12 |
注:
1.本網頁的FSB型氟塑料合金離心泵結構、結構圖、尺寸、參數、流量、揚程、電機轉速等主要性能參數,以及安裝尺寸圖、安裝尺寸表均隻適用於參考,詳細CAD圖、安裝圖、以及產品說明書請向賽泰水泵營銷人員索取。
2.由於編輯水平有限,錯誤和不妥之處在所難免,真誠希望您批評指正。
FSB型氟塑料合金離心泵相關產品
下一頁:FS型玻璃鋼離心泵
返回至本係列目錄:化工泵
上一頁:SL型玻璃鋼管道離心泵