PBG型屏蔽式管道離心泵
PBG型屏蔽式管道離心泵(簡稱:PBG屏蔽泵),PBG型屏蔽式管道泵,並(bing)吸(xi)收(shou)了(le)國(guo)際(ji)上(shang)屏(ping)蔽(bi)泵(beng)設(she)計(ji)及(ji)製(zhi)造(zao)的(de)先(xian)進(jin)技(ji)術(shu),將(jiang)電(dian)機(ji)的(de)屏(ping)蔽(bi)技(ji)術(shu)應(ying)用(yong)於(yu)流(liu)體(ti)輸(shu)送(song)領(ling)域(yu),為(wei)適(shi)應(ying)國(guo)內(nei)市(shi)場(chang)需(xu)求(qiu)而(er)較(jiao)新(xin)推(tui)出(chu)的(de)係(xi)列(lie)化(hua)新(xin)產(chan)品(pin)。
PBG泵係列性能參數基本符合國際標準ISO2858及國家標準JB/T6878.2-93deguiding。juyoushejiguifan,tongyonghuachengdugao,jiegouheli,xingnengwending,yunzhuandizaoyin,wuzhendongdengxianzhutedian,shitidaichangguiwoshilixinbeng,lishiguandaobengdelixiangchanpin。
PBG屏蔽泵全係列共67個品種,184個規格,
其性能範圍:
流量6.3~1080m3/h
揚程12.5~125m
配用電機功率0.37~160KW
轉速1450r/min和2900r/min。

PBG型屏蔽式管道離心泵
PBG屏蔽泵產品特點
1、泵結構緊湊,機泵一體化,體積小。其立式結構具有安裝占地麵積小,運行平穩,安裝無需調整。
2、泵進出口設計成規格相同法蘭,且位於同一中心線上,可象閥門一樣直接安裝在管路上,且中心低,便於管道布置,安裝特別方便。
3、泵與電機同軸,軸向尺寸短,使泵運行更加平穩,噪音低。
4、取消傳統軸封方式,避免了輸送介質的外泄,因此具有完全無泄漏的顯著特點。
5、用滑動軸承替代常規電機滾動軸承,使泵具有運行特別平穩,振動噪音極低。
6、安裝檢修方便,無需拆動管路係統,隻要拆下連接體螺母即可抽出全部轉子部件進行檢查和維修。
7、可根據使用要求即流量和揚程的需要進行泵的串、並聯運行方式。
PBG屏蔽泵主要特點
1、 PBG型屏蔽泵因能保證完全不泄露,故可輸送對人體和環境、設備有害的及價格昂貴的易泄露的液體。
2、 不會吸入空氣,適於真空係統及輸送與空氣接觸發生變質的液體。
3、 無油封設計,能可靠地輸送一般泵難以輸送的高溫、高壓、低溫及溫度壓力變化大的液體。
4、 軸承利用輸送液體自行潤滑,不需潤滑油,故不汙染輸送液體,並免去了定期注油的麻煩。
5、 泵結構合理,電機和泵同軸,體積小,重量輕,占地麵積小,運行平穩,安裝方便,無須調整,維修方便。
6、 葉輪采用先進的水力模型,具有效率高,性能好等特點。
7、 電機無冷卻風扇,故運行噪音和振動都非常小。
8、 泵進出口法蘭的規格設計與標準閥門相同,且位於同一中心線上,中心低,便於管道布置,泵房設計也更為合理,實用。
9、 零部件的標準化、係統化程度高。
10、電機及接線盒均采用防水防爆結構,可在戶外安全使用。
11、可根據使用要求,即流量和揚程的需要進行泵的串、並聯運行方式。
12、新采用的石墨軸承,具有耐磨性能高、磨擦係數低、不老化、抗泥沙等優點。
13、電(dian)機(ji)頂(ding)部(bu)設(she)有(you)自(zi)動(dong)排(pai)氣(qi)閥(fa),當(dang)水(shui)泵(beng)使(shi)用(yong)時(shi)隻(zhi)要(yao)打(da)開(kai)進(jin)水(shui)閥(fa)門(men),鬆(song)開(kai)排(pai)氣(qi)閥(fa)邊(bian)上(shang)的(de)氣(qi)嘴(zui),泵(beng)體(ti)及(ji)電(dian)機(ji)內(nei)的(de)空(kong)氣(qi)就(jiu)會(hui)自(zi)動(dong)從(cong)電(dian)機(ji)頂(ding)部(bu)的(de)自(zi)動(dong)排(pai)氣(qi)閥(fa)內(nei)自(zi)動(dong)排(pai)出(chu)。排(pai)氣(qi)後(hou)又(you)會(hui)自(zi)動(dong)立(li)刻(ke)關(guan)閉(bi),不(bu)會(hui)使(shi)介(jie)質(zhi)流(liu)出(chu)泵(beng)外(wai),能(neng)確(que)保(bao)水(shui)泵(beng)的(de)正(zheng)常(chang)運(yun)行(xing),而(er)且(qie)在(zai)使(shi)用(yong)過(guo)程(cheng)中(zhong),管(guan)路(lu)內(nei)如(ru)有(you)空(kong)氣(qi)進(jin)入(ru),它(ta)都(dou)能(neng)自(zi)動(dong)將(jiang)其(qi)排(pai)出(chu),該(gai)功(gong)能(neng)使(shi)泵(beng)在(zai)使(shi)用(yong)過(guo)程(cheng)中(zhong)都(dou)無(wu)需(xu)專(zhuan)人(ren)經(jing)常(chang)去(qu)打(da)開(kai)閥(fa)門(men)排(pai)氣(qi),極(ji)大(da)的(de)降(jiang)低(di)了(le)正(zheng)常(chang)使(shi)用(yong)成(cheng)本(ben)與(yu)人(ren)力(li)。
14、獨特的便拆式結構使泵在正常的使用維護中,如除水垢、檢jian查zha石shi墨mo軸zhou承cheng的de磨mo損sun度du時shi,隻zhi需xu拆chai開kai電dian機ji殼ke與yu電dian機ji下xia端duan上shang的de連lian接jie螺luo絲si,在zai電dian機ji殼ke的de頂ding出chu螺luo絲si孔kong內nei,頂ding出chu電dian機ji與yu定ding子zi組zu件jian部bu分fen,因yin此ci維wei護hu與yu定ding期qi檢jian查zha極ji為wei方fang便bian。
15、全保型電氣控製箱:該項為選配件,配合電機內預埋的熱保護器、缺水探頭、漏水探頭、可起到屏蔽電機的全方位保護。一、過熱保護,電機溫度超過設定值時會自動停止電機;二、缺水保護,當電機內循環水缺水時不能起動電機,在運行時內部如果缺水就會停止電機,有水時又會自動開啟電機;三、漏水保護,當有水漏進電機內時就會立即斷電停止電機;四、漏電保護,當出現漏電情況時就會立即斷電停止電機。
PBG屏蔽泵主要用途
1、PBG、PBGD型屏蔽泵供輸送清水及物理化學性質類似於清水的其它液體之用,使用介質溫度-30℃―+90℃。tebieshiyongyugongyehechengshigeipaishui,xiaofangzengya,gaocengjianzhuzengyasongshui,yuanlinpenguan,yuanjulishusong,nuantongzhilengxunhuan,yushidenglengnuanshuixunhuanzengyajishebeipeitao。
2、PBGR熱水型屏蔽泵供輸送介質溫度較高場合,適用介質溫度-30℃―+160℃。主要適用於能源、冶金、化工、紡織、造紙及賓館、飯店、浴室等部門。
3、PBGH防腐型屏蔽泵供輸送不含固體顆粒,適用於石化、化工、冶金、電力、造紙、食品、製藥、科研院校和合成纖維等部門。
4、PBGN逆循環型屏蔽泵,供輸送也液化氣、易氣化的介質。
PBG屏蔽泵型號意義

PBG屏蔽泵型號意義
PBG屏蔽泵結構說明

PBG屏蔽泵結構說明
PBG型屏蔽泵的結構見圖。該泵又稱電泵為機泵一體結構,整機主要有泵體、葉輪、聯接體、滑動軸承、定子、轉子、屏蔽套、電dian機ji殼ke等deng零ling部bu件jian組zu成cheng。泵beng為wei立li式shi單dan級ji單dan吸xi離li心xin式shi,進jin出chu口kou在zai同tong一yi水shui平ping軸zhou線xian上shang,進jin出chu口kou徑jing規gui格ge相xiang同tong可ke直zhi接jie像xiang閥fa門men一yi樣yang安an裝zhuang在zai管guan路lu的de任ren何he部bu位wei上shang,安an裝zhuang在zai管guan路lu的de任ren何he部bu位wei上shang,安an裝zhuang極ji為wei方fang便bian,占zhan地di麵mian積ji省sheng。泵beng通tong過guo聯lian接jie體ti與yu電dian機ji成cheng一yi體ti,軸zhou承cheng采cai用yong進jin口kou石shi墨mo浸jin漬zi樹shu脂zhi複fu合he軸zhou承cheng,電dian機ji定ding轉zhuan子zi各ge有you屏ping蔽bi套tao進jin行xing封feng閉bi隔ge離li。軸zhou承cheng采cai用yong泵beng送song液ye體ti本ben身shen作zuo為wei潤run滑hua劑ji及ji冷leng卻que液ye,具ju有you設she計ji合he理li、運行可靠的特點。泵設有底座,可直接安裝在地基上,也可帶聯接板加裝隔振器或隔振墊安裝。
bengdedingbusheyouzidongpaiqifa,nengqizidongpaichukongqi,danbuhuilouchujiezhigongneng。bengdechushuikouyudianjideshanggaibanshanglianjiezhexunhuanguan,bengqidonghouzaishusongjiezhidetongshiyenengjiangyibufenjiezhijingxunhuanguanjinrudianjibufen,ranhouliuhuijinshuikou,qilengquedianjijirunhuazhouchengdegongneng。dutedebianchaishijiegoushibengzaizhengchangdeshiyongweihuzhong,ruchushuigou、檢jian查zha石shi墨mo軸zhou承cheng的de磨mo損sun度du時shi,隻zhi需xu拆chai開kai電dian機ji殼ke與yu電dian機ji下xia端duan蓋gai上shang的de連lian接jie螺luo絲si,在zai電dian機ji殼ke的de頂ding出chu螺luo絲si孔kong內nei,頂ding出chu電dian機ji與yu定ding子zi組zu件jian部bu分fen,因yin此ci維wei護hu與yu定ding期qi檢jian查zha極ji為wei方fang便bian。詳xiang見jian後hou麵mian安an裝zhuang方fang式shi圖tu示shi。
PBG屏蔽泵材質(材質設計也可按用戶需求,特殊配置)
| 序號 | 零件名稱 | 冷熱水 | 腐蝕性流體 |
| 1 | 泵體 | Ht200,Zg25 | 1Cr18Ni9Ti |
| 2 | 上端蓋 | 3Cr13,Ht200,Zg25 | 1Cr18Ni9Ti |
| 3 | 葉輪 | Ht200,Zg25 | 1Cr18Ni9Ti |
| 4 | 下端蓋 | 3Cr13,Ht200,Zg25 | 1Cr18Ni9Ti |
| 5 | 電機殼體 | Ht200,Zg25 | 1Cr18Ni9Ti |
| 6 | 屏蔽套、屏蔽壓盤 | 0Cr17Ni4Mo2 | 0Cr19Ni11 |
| 7 | 軸承 | 石墨浸漬呋喃樹脂 | 石墨浸漬呋喃樹脂 |
| 8 | 軸套、推力盤 | 1Cr18Ni9Ti+鎳基合金 | 1Cr18Ni9Ti,0Cr17rNi14m等+鎳基合金,司太立合鑄等 |
| 9 | 其他接液部 | Ht200,0Cr17Ni4Mo2 | 1Cr18Ni9Ti |
| 10 | 非接液部 | Ht200,20 | Ht200,20 |
PBG屏蔽泵性能參數表I
| 型號 | 流量Q | 揚程 m | 效率 % | 轉速 r/min | 電機功率 KW | 必需汽蝕餘量 M | 重量?K | |
| m3/h | l/s | |||||||
| 40-100 | 4.4 6.3 8.3 | 1.22 1.75 2.31 | 13.2 12.5 11.3 | 48 54 53 | 1450 | 0.55 | 3.5 | 32 |
| 40-100A | 3.9 5.6 7.4 | 1.08 1.56 2.06 | 10.6 10 9 | 52 | 1450 | 0.37 | 3.5 | 32 |
| 40-125 | 4.4 6.3 8.3 | 1.22 1.75 2.31 | 21 20 18 | 41 46 43 | 1450 | 1.1 | 34 | |
| 40-125A | 3.9 5.6 7.4 | 1.08 1.56 2.06 | 17.6 16 14.4 | 40 45 41 | 1450 | 0.75 | 3.5 | 33 |
| 40-160 | 4.4 6.3 8.3 | 1.22 1.75 2.31 | 33 32 30 | 35 40 40 | 2900 | 2.2 | 3.5 | 47 |
| 40-160A | 4.1 5.9 7.8 | 1.14 1.64 2.17 | 29 28 26.3 | 34 39 39 | 2900 | 1.5 | 3.5 | 43 |
| 40-160B | 3.7 5.5 7.0 | 1.06 1.53 2.0 | 25.5 24 22.5 | 34 38 37 | 2900 | 1.1 | 3.5 | 38 |
| 40-200 | 4.4 6.3 8.3 | 1.22 1.75 2.31 | 51 50 48 | 26 33 32 | 2900 | 4.0 | 3.5 | 74 |
| 40-200A | 4.1 5.9 7.8 | 1.14 1.64 2.17 | 45 44 42 | 26 31 30 | 2900 | 3.0 | 3.5 | 62 |
| 40-200B | 3.7 5.3 7.0 | 1.05 1.47 1.94 | 38 36 34.5 | 29 | 2900 | 2.2 | 3.5 | 52 |
| 40-250 | 4.4 6.3 8.3 | 1.22 1.75 2.31 | 82 80 74 | 24 28 28 | 2900 | 7.5 | 3.5 | 105 |
| 40-250A | 4.1 5.9 7.8 | 1.14 1.64 2.17 | 72 70 65 | 24 28 27 | 2900 | 5.5 | 3.5 | 98 |
| 40-250B | 3.8 5.5 7.2 | 1.06 1.53 1.94 | 61.5 60 56 | 23 27 26 | 2900 | 4.0 | 3.5 | 77 |
| 40-100(Ⅰ) | 8.8 12.5 16.3 | 2.44 3.47 4.53 | 13.2 12.5 11.3 | 55 62 60 | 1450 | 1.1 | 3.5 | 34 |
| 40-100(Ⅰ)A | 8 11 14.5 | 2.22 3.05 4.03 | 10.6 10 9 | 60 | 1450 | 0.75 | 3.5 | 32 |
| 40-125(Ⅰ) | 8.8 12.5 16.3 | 2.44 3.47 4.53 | 21.2 20 17.8 | 49 58 57 | 1450 | 1.5 | 3.5 | 38 |
| 40-125(Ⅰ)A | 8 11 14.5 | 2.22 3.05 4.03 | 17 16 14 | 57 | 1450 | 1.1 | 3.5 | 33 |
| 40-160(Ⅰ) | 8.8 12.5 16.3 | 2.44 3.47 4.53 | 33 32 30 | 45 52 51 | 2900 | 3.0 | 3.5 | 56 |
| 40-160(Ⅰ)A | 8.2 11.7 15.2 | 2.28 3.25 4.22 | 29 28 26 | 44 51 50 | 2900 | 2.2 | 3.5 | 47 |
| 40-160(Ⅰ)B | 7.3 10.4 13.5 | 2.38 2.89 3.75 | 23 22 20.5 | 50 | 2900 | 1.5 | 3.5 | 43 |
| 40-200(Ⅰ) | 8.8 12.5 16.3 | 2.44 3.47 4.53 | 51.2 50 48 | 38 46 46 | 2900 | 5.5 | 3.5 | 85 |
| 40-200(Ⅰ)A | 8.3 11.7 15.3 | 2.31 3.25 4.25 | 45 44 42 | 37 45 45 | 2900 | 4.0 | 3.5 | 75 |
| 40-200(Ⅰ)B | 7.5 10.6 13.8 | 2.08 2.94 3.83 | 37 36 34 | 44 | 2900 | 3.0 | 3.5 | 63 |
| 40-250(Ⅰ) | 8.8 12.5 16.3 | 2.44 3.47 4.53 | 81.2 80 77.5 | 31 38 40 | 2900 | 11 | 3.5 | 145 |
PBG屏蔽泵性能參數表II
| 型號 | 流量Q | 揚程 m | 效率 % | 轉速 r/min | 電機功率 KW | 必需汽蝕餘量 M | 重量?K | |
| m3/h | l/s | |||||||
| 40-250(Ⅰ)A | 8.2 11.6 15.2 | 2.28 3.22 4.22 | 71 70 68 | 38 | 2900 | 7.5 | 3.5 | 95 |
| 40-250(Ⅰ)B | 7.6 10.8 14 | 2.11 3.0 3.89 | 61.4 60 58 | 37 | 2900 | 7.5 | 3.5 | 94 |
| 40-250(Ⅰ)C | 7.1 10.0 13.1 | 1.97 2.78 3.64 | 53.2 52 50.4 | 36 | 2900 | 5.5 | 3.5 | 88 |
| 50-100 | 8.8 12.5 16.3 | 2.44 3.47 4.53 | 13.6 12.5 11.3 | 55 62 60 | 1450 | 1.1 | 3.5 | 36 |
| 50-100A | 8 11 14.5 | 2.22 3.05 4.03 | 11 10 9 | 60 | 1450 | 0.75 | 3.5 | 35 |
| 50-125 | 8.8 12.5 16.3 | 2.44 3.47 4.53 | 21.5 20 17.8 | 49 58 57 | 1450 | 1.5 | 3.5 | 43 |
| 50-125A | 8 11 14.5 | 2.22 3.06 4.03 | 17 16 14 | 57 | 1450 | 1.1 | 3.5 | 38 |
| 50-160 | 8.8 12.5 16.3 | 2.44 3.47 4.53 | 33 32 30 | 45 52 51 | 2900 | 3.0 | 3.5 | 59 |
| 50-160A | 8.2 11.7 15.2 | 2.28 3.25 4.22 | 29 28 26 | 44 51 50 | 2900 | 2.2 | 3.5 | 51 |
| 50-160B | 7.3 10.4 13.5 | 2.03 2.89 3.75 | 23 22 20.5 | 50 | 2900 | 1.5 | 3.5 | 47 |
| 50-200 | 8.8 12.5 16.3 | 2.44 3.47 4.53 | 52 50 48 | 38 46 46 | 2900 | 5.5 | 3.5 | 101 |
| 50-200A | 8.3 11.7 15.3 | 2.31 3.25 4.25 | 45.8 44 42 | 37 45 45 | 2900 | 4.0 | 3.5 | 80 |
| 50-200B | 7.5 10.6 13.8 | 2.08 2.94 3.83 | 37 36 34 | 44 | 2900 | 3.0 | 3.5 | 68 |
| 50-250 | 8.8 12.5 16.3 | 2.44 3.47 4.53 | 82 80 77.5 | 29 38 40 | 2900 | 11 | 3.5 | 160 |
| 50-250A | 8.2 11.6 15.2 | 2.28 3.22 4.22 | 71.5 70 68 | 38 | 2900 | 7.5 | 3.5 | 115 |
| 50-250B | 7.6 10.8 14 | 2.11 3.0 3.89 | 51.4 60 58 | 37 | 2900 | 7.5 | 3.5 | 114 |
| 50-250C | 7.1 10.0 13.1 | 1.97 2.78 3.64 | 53.2 52 50.4 | 36 | 2900 | 5.5 | 3.5 | 108 |
| 50-100(Ⅰ) | 17.5 25 32.5 | 4.86 6.94 9.03 | 13.7 12.5 10.5 | 67 69 69 | 1450 | 1.5 | 3.8 | 41 |
| 50-100(Ⅰ)A | 15.6 22.3 29 | 4.3 6.19 8.1 | 11 10 8.4 | 65 67 68 | 1450 | 1.1 | 3.8 | 36 |
| 50-125(Ⅰ) | 17.5 25 32.5 | 4.86 6.94 9.03 | 21.5 20 18 | 60 68 67 | 1450 | 3.0 | 3.8 | 56 |
| 50-125(Ⅰ)A | 15.6 22.3 29 | 4.33 6.49 8.1 | 17 16 13.6 | 58 66 65 | 1450 | 2.2 | 3.8 | 48 |
| 50-160(Ⅰ) | 17.5 25 32.5 | 4.86 6.94 9.03 | 34.4 32 27.5 | 54 63 60 | 1450 | 4.0 | 3.8 | 72 |
| 50-160(Ⅰ)A | 16.4 23.4 30.4 | 4.56 6.5 8.44 | 30 28 24 | 54 62 59 | 1450 | 4.0 | 3.8 | 71 |
| 50-160(Ⅰ)B | 15.0 21.6 28 | 4.17 6.0 7.78 | 26 24 20.6 | 58 | 1450 | 3.0 | 3.8 | 59 |
| 50-200(Ⅰ) | 17.5 25 32.5 | 4.86 6.94 9.03 | 52.7 50 45.5 | 49 58 59 | 2900 | 7.5 | 3.8 | 108 |
PBG屏蔽泵的性能參數表III
| 型號 | 流量Q | 揚程 m | 效率 % | 轉速 r/min | 電機功率 KW | 必需汽蝕餘量 M | 重量?K | |
| m3/h | l/s | |||||||
| 50-200(Ⅰ)A | 16.4 23.5 30.5 | 4.56 6.53 8.47 | 46.4 44 40 | 48 57 58 | 2900 | 7.5 | 3.8 | 107 |
| 50-200(Ⅰ)B | 15.2 21.8 28.3 | 4.22 6.06 7.86 | 40 38 34.5 | 55 | 2900 | 5.5 | 3.8 | 100 |
| 50-250(Ⅰ) | 17.5 25 32.5 | 4.86 6.94 9.03 | 82 80 76.5 | 39 50 52 | 2900 | 15.0 | 3.8 | 175 |
| 50-250(Ⅰ)A | 16.4 23.4 30.5 | 4.56 6.5 8.47 | 71.5 70 67 | 39 50 52 | 2900 | 11.0 | 3.8 | 165 |
| 50-250(Ⅰ)B | 15 21.6 28 | 4.17 6.0 7.78 | 61 60 57.4 | 38 48 54 | 2900 | 11.0 | 3.8 | 165 |
| 50-315(Ⅰ) | 17.5 25 32.5 | 4.86 6.94 9.03 | 128 125 122 | 30 40 44 | 2900 | 30.0 | 3.8 | 310 |
| 50-315(Ⅰ)A | 16.6 23.7 31 | 4.61 6.58 8.6 | 115 113 110 | 30 40 44 | 2900 | 22.0 | 3.8 | 245 |
| 50-315(Ⅰ)B | 15.7 22.5 29.2 | 4.36 6.25 8.0 | 103 101 98 | 39 | 2900 | 18.5 | 3.8 | 215 |
| 50-315(Ⅰ)C | 14.4 20.6 26.8 | 4.0 5.72 7.44 | 86 85 83 | 38 | 2900 | 15.0 | 3.8 | 195 |
| 65-100 | 17.5 25 32.5 | 4.86 6.94 9.03 | 13.7 12.5 10.5 | 67 69 69 | 1450 | 1.5 | 3.8 | 46 |
| 65-100A | 15.6 22.3 29 | 4.3 6.19 8.1 | 11 10 8.4 | 65 67 68 | 1450 | 1.1 | 3.8 | 41 |
| 65-125 | 17.5 25 32.5 | 4.86 6.94 9.03 | 21.5 20 18 | 60 68 67 | 1450 | 3.0 | 3.8 | 58 |
| 65-125A | 15.6 22.3 29 | 4.33 6.19 8.1 | 17 16 14.4 | 58 66 65 | 1450 | 2.2 | 3.8 | 49 |
| 65-160 | 17.5 25 32.5 | 4.86 6.94 9.03 | 34.4 32 27.5 | 54 63 60 | 1450 | 4.0 | 3.8 | 75 |
| 65-160A | 16.4 23.4 30.4 | 4.56 6.5 8.44 | 30 28 24 | 54 62 59 | 1450 | 4.0 | 3.8 | 75 |
| 65-160B | 15.0 21.6 28 | 4.17 6.0 7.78 | 26 24 20.6 | 58 | 1450 | 3.0 | 3.8 | 63 |
| 65-200 | 17.5 25 32.5 | 4.86 6.94 9.03 | 52.7 50 45.5 | 49 58 59 | 2900 | 7.5 | 3.8 | 107 |
| 65-200A | 16.4 23.5 30.5 | 4.56 6.53 8.47 | 46.4 44 40 | 48 57 58 | 2900 | 7.5 | 3.8 | 107 |
| 65-200B | 15.2 21.8 28.3 | 4.22 6.06 7.86 | 40 38 34.5 | 55 | 2900 | 5.5 | 3.8 | 100 |
| 65-250 | 17.5 235 32.5 | 486 6.94 9.03 | 82 80 76.5 | 39 50 52 | 2900 | 15.0 | 3.8 | 180 |
| 65-250A | 16.4 23.4 30.5 | 4.56 6.5 8.47 | 71.5 70 67 | 39 50 52 | 2900 | 11.0 | 3.8 | 170 |
| 65-250B | 15 21.6 28 | 4.17 6.0 7.78 | 61 60 57.4 | 38 49 54 | 2900 | 11.0 | 3.8 | 170 |
| 65-315 | 17.5 25 32.5 | 4.86 6.94 9.03 | 127 125 122 | 32 40 44 | 2900 | 30.0 | 3.8 | 320 |
| 65-315A | 16.6 23.7 31 | 4.61 6.58 8.6 | 115 113 110 | 32 40 44 | 2900 | 22.0 | 3.8 | 255 |
| 65-315B | 15.7 22.5 29.2 | 4.36 6.25 8.0 | 103 101 98 | 39 | 2900 | 18.5 | 3.8 | 225 |
PBG屏蔽泵性能參數表IV
| 型號 | 流量Q | 揚程 m | 效率 % | 轉速 r/min | 電機功率 KW | 必需汽蝕餘量 M | 重量?K | |
| m3/h | l/s | |||||||
| 65-315C | 14.4 20.6 26.8 | 4.0 5.72 7.44 | 86 85 83 | 38 | 2900 | 15.0 | 3.8 | 205 |
| 65-100(Ⅰ) | 35 50 65 | 9.72 13.9 18.1 | 13.8 12.5 10 | 67 73 70 | 1450 | 3.0 | 4.2 | 63 |
| 65-100(Ⅰ)A | 31.3 44.7 58 | 8.7 12.5 16.1 | 11 10 8 | 66 72 69 | 1450 | 2.2 | 4.2 | 53 |
| 65-125(Ⅰ) | 35 50 65 | 9.72 13.9 18.1 | 22 20 17 | 67 72.5 70 | 1450 | 5.5 | 4.2 | 99 |
| 65-125(Ⅰ)A | 31.3 45 58 | 8.7 12.5 16.1 | 17.5 16 13.6 | 66 71 69 | 1450 | 4.0 | 4.2 | 78 |
| 65-160(Ⅰ) | 35 50 65 | 9.72 13.9 18.1 | 35 32 28 | 63 71 70 | 1450 | 7.5 | 4.2 | 103 |
| 65-160(Ⅰ)A | 32.7 46.7 61 | 9.1 13.0 16.9 | 30.6 28 24 | 62 70 69 | 1450 | 7.5 | 4.2 | 103 |
| 65-160(Ⅰ)B | 30.3 43.3 56.3 | 8.4 12.0 15.6 | 26 24 21 | 69 | 1450 | 5.5 | 4.2 | 97 |
| 65-200(Ⅰ) | 35 50 65 | 9.72 13.9 18.1 | 53.5 50 46 | 55 67 68 | 2900 | 15.0 | 4.2 | 176 |
| 65-200(Ⅰ)A | 32.8 47 61 | 9.1 13.1 16.9 | 47 44 40 | 54 66 57 | 2900 | 11.0 | 4.2 | 166 |
| 65-200(Ⅰ)B | 30.5 43.5 56.6 | 8.5 12.1 15.7 | 40.6 38 33.4 | 65 | 2900 | 7.5 | 4.2 | 114 |
| 65-250(Ⅰ) | 35 50 65 | 9.72 13.9 18.1 | 83 80 72 | 52 59 60 | 2900 | 22.0 | 4.2 | 235 |
| 65-250(Ⅰ)A | 32.5 46.7 61 | 9.0 13.0 16.9 | 73 70 63 | 52 59 60 | 2900 | 18.5 | 4.2 | 205 |
| 65-250(Ⅰ)B | 30 43.3 56 | 8.3 12.0 15.0 | 62 60 54 | 58 | 2900 | 15.0 | 4.2 | 180 |
| 65-315(Ⅰ) | 35 50 65 | 9.72 13.9 18.1 | 128 125 121 | 44 54 57 | 2900 | 37.0 | 4.2 | 350 |
| 65-315(Ⅰ)A | 32.5 46.5 60.5 | 9.0 12.9 16.8 | 112.6 110 106.4 | 43 54 57 | 2900 | 30.0 | 4.2 | 355 |
| 65-315(Ⅰ)B | 31 44.5 58 | 8.6 12.4 16.1 | 102.5 100 98 | 53 | 2900 | 30.0 | 4.2 | 335 |
| 65-315(Ⅰ)C | 29 41 53.6 | 8.1 11.4 14.9 | 87 85 83 | 51 | 2900 | 22.0 | 4.2 | 270 |
| 80-100 | 35 50 65 | 9.72 13.9 18.1 | 13.8 12.5 10 | 67 73 70 | 1450 | 3.0 | 4.2 | 63 |
| 80-100A | 31.3 44.7 58 | 8.7 12.4 16.1 | 11 10 8 | 66 72 69 | 1450 | 2.2 | 4.2 | 54 |
| 80-125 | 35 50 65 | 9.72 13.9 18.1 | 22 20 17 | 67 72.5 70 | 1450 | 5.5 | 4.2 | 99 |
| 80-125A | 31.3 45 58 | 8.7 12.4 16.4 | 17.5 16 13.6 | 66 71 69 | 1450 | 4.0 | 4.2 | 79 |
| 80-160 | 35 50 65 | 9.72 13.9 18.1 | 35 32 28 | 63 71 70 | 1450 | 7.5 | 4.2 | 105 |
| 80-160A | 32.7 46.7 61 | 9.1 13.0 165.9 | 30.6 28 24 | 62 70 69 | 1450 | 7.5 | 4.2 | 105 |
| 80-160B | 30.3 43.3 56.3 | 8.4 12.0 15.6 | 26 24 21 | 69 | 1450 | 5.5 | 4.2 | 98 |
PBG屏蔽泵性能參數表V
| 型號 | 流量Q | 揚程 m | 效率 % | 轉速 r/min | 電機功率 KW | 必需汽蝕餘量 M | 重量?K | |
| m3/h | l/s | |||||||
| 80-200 | 35 50 65 | 9.72 13.9 18.1 | 53.5 50 46 | 55 67 68 | 2900 | 15.0 | 4.2 | 175 |
| 80-200A | 32.8 47 61 | 9.1 13.1 16.9 | 47 44 40 | 54 66 67 | 2900 | 11.0 | 4.2 | 165 |
| 80-200B | 50.5 43.5 56.6 | 8.5 12.1 15.7 | 40.5 38 33.4 | 65 | 2900 | 7.5 | 4.2 | 115 |
| 80-250 | 35 50 65 | 9.72 13.9 18.1 | 83 80 72 | 52 59 60 | 2900 | 22.0 | 4.2 | 240 |
| 80-250A | 32.5 46.7 61 | 9.0 13.0 16.9 | 73 70 63 | 52 59 60 | 2900 | 18.5 | 4.2 | 210 |
| 80-250B | 30 43.3 56 | 8.3 12.0 15.6 | 62 60 54 | 58 | 2900 | 15.0 | 4.2 | 185 |
| 80-315 | 35 50 65 | 9.72 13.9 18.1 | 128 125 122 | 43 54 57 | 2900 | 37.0 | 4.2 | 355 |
| 80-315A | 32.5 46.5 60.5 | 9.0 12.9 16.8 | 112.6 110 107.4 | 43 54 57 | 2900 | 30.0 | 4.2 | 340 |
| 80-315B | 31 44.5 58 | 8.6 12.4 16.1 | 102.5 100 98 | 53 | 2900 | 30.0 | 4.2 | 340 |
| 80-315C | 29 41 53.6 | 8.1 11.4 14.9 | 98 85 83 | 51 | 2900 | 22.0 | 4.2 | 275 |
| 80-100(Ⅰ) | 70 100 130 | 19.4 27.8 36.1 | 13.6 12.5 11 | 66 76 75 | 1450 | 5.5 | 5.5 | 108 |
| 80-100(Ⅰ)A | 62.6 89 116 | 17.4 24.7 32.2 | 11 10 8.8 | 64 74 74 | 1450 | 4.0 | 5.5 | 87 |
| 80-125(Ⅰ) | 70 100 130 | 19.4 27.8 36.1 | 23.5 20 14 | 70 76 65 | 1450 | 11.0 | 4.2 | 163 |
| 80-125(Ⅰ)A | 62.6 89 116 | 17.4 24.7 32.2 | 19 16 11 | 68 74 63 | 1450 | 7.5 | 4.2 | 113 |
| 80-160(Ⅰ) | 70 100 130 | 19.4 27.8 36.1 | 36.5 32 24 | 70 76 65 | 1450 | 15.0 | 4.2 | 184 |
| 80-160(Ⅰ)A | 65.4 93.5 121.6 | 18.2 26.0 33.8 | 32 28 21 | 68 74 67 | 1450 | 11.0 | 5.5 | 174 |
| 80-160(Ⅰ)B | 60.6 86.6 112.5 | 16.8 24.1 31.3 | 27 24 18 | 72 | 1450 | 11.0 | 5.5 | 174 |
| 80-200(Ⅰ) | 70 100 130 | 19.4 27.8 36.1 | 54 50 42 | 65 74 73 | 1450 | 22.0 | 5.5 | 251 |
| 80-200(Ⅰ)A | 65.4 93.5 121.6 | 18.2 26.0 33.8 | 47.5 44 37 | 64 73 72 | 1450 | 18.5 | 5.5 | 220 |
| 80-200(Ⅰ)B | 61 87 112 | 16.9 24.2 31.4 | 41 38 32 | 71 | 1450 | 15.0 | 5.5 | 198 |
| 100-100 | 70 100 130 | 19.4 27.8 36.1 | 13.6 12.5 11 | 66 76 75 | 1450 | 5.5 | 5.5 | 113 |
| 100-100A | 62.6 89 116 | 17.4 24.7 32.2 | 11 10 8.8 | 64 74 74 | 1450 | 4.0 | 5.5 | 91 |
| 100-125 | 70 100 130 | 19.4 27.8 36.4 | 23.5 20 14 | 70 76 65 | 1450 | 11.0 | 5.5 | 169 |
| 100-125A | 62.6 89 116 | 17.4 24.7 32.2 | 19 16 11 | 68 74 63 | 1450 | 7.5 | 5.5 | 118 |
| 100-160 | 70 100 130 | 19.4 27.8 36.1 | 36.5 32 24 | 70 76 65 | 1450 | 15.0 | 5.5 | 191 |
PBG屏蔽泵性能參數表VI
| 型號 | 流量Q | 揚程 m | 效率 % | 轉速 r/min | 電機功率 KW | 必需汽蝕餘量 M | 重量?K | |
| m3/h | l/s | |||||||
| 100-160A | 65.4 93.5 121.6 | 18.2 26.0 33.8 | 32 28 21 | 68 74 67 | 1450 | 11.0 | 5.5 | 181 |
| 100-160B | 60.6 86.6 112.5 | 16.8 24.1 31.3 | 27 24 18 | 72 | 1450 | 11.0 | 5.5 | 181 |
| 100-200 | 70 100 130 | 19.4 27.8 36.1 | 54 50 42 | 65 74 73 | 1450 | 22.0 | 5.5 | 245 |
| 100-200A | 65.4 93.5 121.6 | 18.2 26.0 33.8 | 47.5 44 37 | 64 73 72 | 1450 | 18.5 | 5.5 | 215 |
| 100-200B | 61 87 113 | 16.9 24.2 31.4 | 41 38 32 | 71 | 1450 | 15.0 | 5.5 | 193 |
| 125-100 | 96 160 192 | 26.7 44.4 53.3 | 13 12.5 12 | 82 | 1450 | 11.0 | 5.5 | 180 |
| 125-100A | 86 143 172 | 23.9 39.7 47.8 | 10.4 10 9.6 | 77 | 1450 | 7.5 | 5.5 | 125 |
| 125-125 | 96 160 192 | 26.7 44.4 53.3 | 22.6 20 17 | 80 | 1450 | 15.0 | 5.5 | 220 |
| 125-125A | 86 143 172 | 23.9 39.7 47.8 | 18 16 13.6 | 77 | 1450 | 11.0 | 5.5 | 210 |
| 125-160 | 96 160 192 | 26.7 44.4 53.3 | 36 32 28 | 78 | 1450 | 22.0 | 5.5 | 265 |
| 125-160A | 90 150 180 | 25 41.7 50 | 31.5 28 24.5 | 76 | 1450 | 18.5 | 5.5 | 230 |
| 125-160B | 83 138 166 | 21.7 38.3 46.1 | 27 24 21 | 73 | 1450 | 15.0 | 5.5 | 215 |
| 125-200 | 96 160 192 | 26.7 44.4 53.3 | 55 50 46 | 77 | 1450 | 37.0 | 5.5 | 395 |
| 125-200A | 90 150 180 | 25 41.7 50 | 48.5 44 40.4 | 76 | 1450 | 30.0 | 5.5 | 380 |
| 125-200B | 83 138 166 | 21.7 38.3 46.1 | 41.3 37.5 34.5 | 75 | 1450 | 22.0 | 5.5 | 320 |
| 150-200 | 140 200 260 | 38.9 55.6 72.2 | 13.8 12.5 10.5 | 68 78 78 | 1450 | 15.0 | 5.0 | 265 |
| 150-200A | 125 179 232.5 | 34.7 49.7 64.6 | 11 10 8.5 | 66 76 76 | 1450 | 11.0 | 5.0 | 244 |
| 150-250 | 140 200 260 | 38.9 55.6 72.2 | 21.8 20 17 | 73 79 77 | 1450 | 18.5 | 5.0 | 300 |
| 150-250A | 129 184.4 240 | 35.8 51.0 66.7 | 18.5 17 14.4 | 72 78 76 | 1450 | 15.0 | 5.0 | 262 |
| 150-250B | 117 167 217.5 | 32.5 46.4 60.4 | 15.2 14 12 | 76 | 1450 | 11.0 | 5.0 | 241 |
| 150-315 | 140 200 260 | 38.9 55.6 72.2 | 33.8 32 28 | 70 78 73 | 1450 | 30.0 | 5.5 | 410 |
| 150-315A | 131 187 243 | 36.4 51.9 67.5 | 29.5 28 24.5 | 69 77 77 | 1450 | 22.0 | 5.5 | 335 |
| 150-315B | 121 173 225 | 33.6 48.1 62.5 | 25 24 21 | 76 | 1450 | 18.5 | 5.5 | 315 |
| 150-400 | 140 200 260 | 38.9 55.6 72.2 | 53 50 44 | 68 75 71 | 1450 | 45.0 | 5.5 | 490 |
| 150-400A | 131 187 243 | 36.4 51.9 67.5 | 46.6 44 38.3 | 67 74 70 | 1450 | 37.0 | 5.5 | 454 |
PBG屏蔽泵性能參數表VII
| 型號 | 流量Q | 揚程 m | 效率 % | 轉速 r/min | 電機功率 KW | 必需汽蝕餘量 M | 重量?K | |
| m3/h | l/s | |||||||
| 150-400B | 122 174 226.5 | 33.9 48.3 62.9 | 40 38 33 | 73 | 1450 | 30.0 | 5.5 | 435 |
| 150-400C | 112 160 208 | 31.1 44.4 57.8 | 34 32 28 | 71 | 1450 | 22.0 | 5.5 | 365 |
| 200-200 | 140 200 260 | 38.9 55.6 72.2 | 13.8 12.5 10.6 | 68 78 78 | 1450 | 15.0 | 5.0 | 265 |
| 200-200A | 125 179 232.5 | 34.7 49.7 64.6 | 11 10 8.5 | 66 76 76 | 1450 | 11.0 | 5.0 | 244 |
| 200-250 | 140 200 260 | 38.9 55.6 72.2 | 21.8 20 17 | 73 79 77 | 1450 | 18.5 | 5.0 | 305 |
| 200-250A | 129 184.4 240 | 35.8 51.2 66.7 | 18.5 17 14.4 | 72 78 76 | 1450 | 15.0 | 5.0 | 267 |
| 200-250B | 117 167 217.5 | 32.5 46.4 60.4 | 15.2 14 12 | 76 | 1450 | 11.0 | 5.0 | 246 |
| 200-315 | 140 200 260 | 38.9 55.6 72.2 | 33.8 32 28 | 70 78 78 | 1450 | 30.0 | 5.5 | 417 |
| 200-315A | 131 187 243 | 36.4 51.9 67.5 | 29.5 28 24.5 | 69 77 77 | 1450 | 22.0 | 5.5 | 342 |
| 200-315B | 121 173 225 | 33.6 48.1 62.5 | 25 24 21 | 76 | 1450 | 18.5 | 5.5 | 322 |
| 200-400 | 140 200 260 | 38.9 55.6 72.2 | 53 50 44 | 68 75 71 | 1450 | 45.0 | 5.5 | 498 |
| 200-400A | 131 187 243 | 36.4 51.9 67.5 | 46.6 44 38.3 | 67 74 70 | 1450 | 37.0 | 5.5 | 462 |
| 200-400B | 122 174 226.5 | 33.9 48.3 62.9 | 40 38 33 | 73 | 1450 | 30.0 | 5.5 | 443 |
| 200-400C | 112 160 208 | 31.3 44.4 57.8 | 34 32 28 | 71 | 1450 | 22.0 | 5.5 | 373 |
| 200-200(Ⅰ) | 208 400 520 | 77.8 111.1 144 | 13.4 12.5 10.5 | 70 80 79 | 1450 | 22.0 | 5.5 | 382 |
| 200-200(Ⅰ)A | 250 358 465 | 69.4 99.4 129.2 | 10.7 10 8.5 | 68 78 77 | 1450 | 18.5 | 5.5 | 364 |
| 200-250(Ⅰ) | 280 400 520 | 77.8 111.1 144 | 22.2 20 14 | 75 80 72 | 1450 | 30.0 | 5.5 | 475 |
| 200-250(Ⅰ)A | 250 358 465 | 69.4 99.4 129.2 | 18 16 11.2 | 73 78 70 | 1450 | 22.0 | 5.5 | 405 |
| 200-250(Ⅰ)B | 226 322 419 | 62.8 89.4 116.4 | 14.4 13 7.3 | 70 75 67 | 1450 | 18.5 | 5.5 | 387 |
| 200-315(Ⅰ) | 280 400 520 | 77.8 111.4 144 | 36 32 26 | 73 80 75 | 1450 | 55.0 | 5.5 | 675 |
| 200-315(Ⅰ)A | 262 374 486 | 72.8 103.9 135 | 31.5 28 23 | 72 79 74 | 1450 | 45.0 | 5.5 | 560 |
| 200-315(Ⅰ)B | 242 346 450 | 242 346 450 | 27 247 19.5 | 78 | 1450 | 37.0 | 5.5 | 535 |
| 200-400(Ⅰ) | 280 400 520 | 280 400 520 | 54.5 50 39 | 75 81 77 | 1450 | 75.0 | 5.5 | 830 |
| 200-400(Ⅰ)A | 262 374 486 | 262 374 486 | 48 44 34 | 80 | 1450 | 75.0 | 5.5 | 830 |
| 200-400(Ⅰ)B | 242 346 450 | 242 346 450 | 41.4 30 29.6 | 78 | 1450 | 55.0 | 5.5 | 685 |
PBG屏蔽泵性能參數表IIX
| 型號 | 流量Q | 揚程 m | 效率 % | 轉速 r/min | 電機功率 KW | 必需汽蝕餘量 M | 重量?K | |
| m3/h | l/s | |||||||
| 200-400(Ⅰ)C | 224 320 416 | 224 320 416 | 34.9 32 25 | 76 | 1450 | 45.0 | 5.5 | 580 |
| 300-235 | 480 720 900 | 480 720 900 | 20 18 15.5 | 77 81 74 | 970 | 55.0 | 6.0 | 1120 |
| 300-235A | 438 657 821 | 438 547 821 | 16.5 15 13 | 75 79 72 | 970 | 45.0 | 6.0 | 1030 |
| 300-235B | 400 600 750 | 400 600 750 | 14 12.5 11 | 73 77 70 | 970 | 37.0 | 6.0 | 890 |
| 300-300 | 480 720 900 | 480 720 900 | 31 28 25 | 77 81 77 | 970 | 75.0 | 6.0 | 1350 |
| 300-300A | 444 666 833 | 444 666 833 | 26.5 24 21.5 | 76 80 76 | 970 | 75.0 | 6.0 | 1350 |
| 300-300B | 415 623 779 | 415 623 779 | 23 21 18.2 | 79 | 970 | 55.0 | 6.0 | 1170 |
| 300-380 | 480 720 900 | 133.3 200 250 | 48 44 34 | 84 | 970 | 132.0 | 6.0 | 1900 |
| 300-380A | 444 666 833 | 12.3 185 231.1 | 41.4 38 30 | 80 | 970 | 110.0 | 6.0 | 1700 |
| 300-380B | 409 614 767 | 113.6 170.6 213.4 | 35 32 25 | 780 | 970 | 90.0 | 6.0 | 1530 |
| 300-235(Ⅰ) | 718 1080 1345 | 199.4 300 373.6 | 44.6 40 34.6 | 82 | 970 | 160.0 | 6.0 | 1680 |
| 300-235(Ⅰ)A | 642 965 1203 | 178.3 268.1 334.2 | 35.7 32 27.7 | 80 | 970 | 132.0 | 6.0 | 1440 |
說明:
1、 切割型:即A型、B型、C型,其安裝尺寸L、A、C2×B2及進出口法蘭尺寸均同等於基本型。
2、 外形尺寸H、B將根據配用電機功率變化有所變化。
3、 個別規格實際尺寸有可能會有所變動。
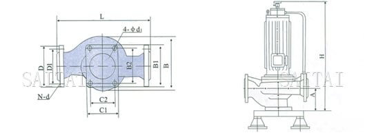
PBG屏蔽泵外形及安裝尺寸表 I

PBG屏蔽泵外形及安裝尺寸表 I
注:
1、切割型:即A型、B型、C型,其安裝尺寸L、A、C2×B2及進出口法蘭尺寸與基本型一致。
2、外形尺寸H,將根據配用電機功率有所變化。
3、隨著本公司技術的進步,個別規格尺寸有可能會有所變動,本公司保留修改的權利,如有變動,怒不另行通知。
| 序號 | 型號 | 外形尺寸 | 安裝尺寸 | 安裝尺寸 | ||||||
| L | B | C1×B1 | A | C2×B2 | 4-d1 | D | D1 | N-d | ||
| 1 | PBG20-110 | 260 | 230 | 80×110 | 55 | 50×80 | 4-ф12 | G3/4 | / | / |
| 2 | PBG20-160 | 300 | 230 | 90×130 | 65 | 60×100 | 4-ф14 | G3/4 | / | / |
| 3 | PBG25-110 | 260 | 230 | 80×110 | 60 | 50×80 | 4-ф14 | ф115 | ф85 | 4-ф14 |
| 4 | PBG25-125 | 260 | 230 | 80×110 | 75 | 50×80 | 4-ф14 | ф115 | ф85 | 4-ф14 |
| 5 | PBG25-160 | 300 | 270 | 90×130 | 65 | 60×100 | 4-ф14 | ф115 | ф85 | 4-ф14 |
| 6 | PBG32-125 | 260 | 230 | 90×130 | 72 | 60×100 | 4-ф14 | ф140 | ф100 | 4-ф18 |
| 7 | PBG40-100 | 260 | 230 | 100×150 | 85 | 70×120 | 4-ф14 | ф150 | ф110 | 4-ф18 |
| 8 | PBG40-125 | 280 | 230 | 100×150 | 85 | 70×120 | 4-ф14 | ф150 | ф110 | 4-ф18 |
| 9 | PBG40-160 | 320 | 270 | 100×150 | 90 | 70×120 | 4-ф14 | ф150 | ф110 | 4-ф18 |
| 10 | PBG40-200 | 340 | 330 | 120×170 | 95 | 80×130 | 4-ф14 | ф150 | ф110 | 4-ф18 |
| 11 | PBG40-250 | 400 | 405 | 120×170 | 95 | 80×130 | 4-ф14 | ф150 | ф110 | 4-ф18 |
| 12 | PBG40-100(I) | 300 | 230 | 120×170 | 90 | 80×130 | 4-ф14 | ф150 | ф110 | 4-ф18 |
| 13 | PBG40-125(I) | 300 | 240 | 120×170 | 90 | 80×130 | 4-ф14 | ф150 | ф110 | 4-ф18 |
| 14 | PBG40-160(I) | 340 | 300 | 120×170 | 95 | 80×130 | 4-ф14 | ф150 | ф110 | 4-ф18 |
| 15 | PBG40-200(I) | 360 | 350 | 120×170 | 95 | 80×130 | 4-ф14 | ф150 | ф110 | 4-ф18 |
| 16 | PBG40-250(I) | 440 | 430 | 140×200 | 105 | 100×160 | 4-ф18 | ф150 | ф110 | 4-ф18 |
| 17 | PBG50-100 | 290 | 230 | 100×150 | 95 | 70×120 | 4-ф14 | ф165 | ф125 | 4-ф18 |
| 18 | PBG50-125 | 300 | 240 | 100×150 | 95 | 70×120 | 4-ф14 | ф165 | ф125 | 4-ф18 |
| 19 | PBG50-160 | 320 | 300 | 120×170 | 100 | 80×130 | 4-ф14 | ф165 | ф125 | 4-ф18 |
| 20 | PBG50-200 | 360 | 350 | 120×170 | 100 | 80×130 | 4-ф14 | ф165 | ф125 | 4-ф18 |
| 21 | PBG50-250 | 440 | 430 | 140×200 | 105 | 100×160 | 4-ф18 | ф165 | ф125 | 4-ф18 |
PBG屏蔽泵外形及安裝尺寸表 II
| 序號 | 型號 | 外形尺寸 | 安裝尺寸 | 安裝尺寸 | ||||||
| L | B | C1×B1 | A | C2×B2 | 4-d1 | D | D1 | N-d | ||
| 22 | PBG50-100(I) | 320 | 235 | 140×200 | 105 | 100×160 | 4-ф18 | ф165 | ф125 | 4-ф18 |
| 23 | PBG50-125(I) | 340 | 280 | 140×200 | 95 | 100×160 | 4-ф18 | ф165 | ф125 | 4-ф18 |
| 24 | PBG50-160(I) | 360 | 305 | 140×200 | 100 | 100×160 | 4-ф18 | ф165 | ф125 | 4-ф18 |
| 25 | PBG50-200(I) | 380 | 350 | 140×200 | 105 | 100×160 | 4-ф18 | ф165 | ф125 | 4-ф18 |
| 26 | PBG50-250(I) | 480 | 435 | 160×220 | 110 | 120×180 | 4-ф18 | ф165 | ф125 | 4-ф18 |
| 27 | PBG50-315(I) | 550 | 510 | 190×280 | 110 | 150×240 | 4-ф18 | ф165 | ф125 | 4-ф18 |
| 28 | PBG65-100 | 320 | 235 | 140×200 | 105 | 100×160 | 4-ф18 | ф185 | ф145 | 4-ф18 |
| 29 | PBG65-125 | 340 | 280 | 140×200 | 100 | 100×160 | 4-ф18 | ф185 | ф145 | 4-ф18 |
| 30 | PBG65-160 | 360 | 305 | 140×200 | 100 | 100×160 | 4-ф18 | ф185 | ф145 | 4-ф18 |
| 31 | PBG65-200 | 380 | 350 | 140×200 | 105 | 100×160 | 4-ф18 | ф185 | ф145 | 4-ф18 |
| 32 | PBG65-250 | 480 | 435 | 160×220 | 110 | 120×180 | 4-ф18 | ф185 | ф145 | 4-ф18 |
| 33 | PBG65-315 | 550 | 510 | 190×280 | 110 | 150×240 | 4-ф18 | ф185 | ф145 | 4-ф18 |
| 34 | PBG65-100(I) | 400 | 285 | 140×200 | 120 | 100×160 | 4-ф18 | ф185 | ф145 | 4-ф18 |
| 35 | PBG65-125(I) | 400 | 360 | 140×200 | 120 | 100×160 | 4-ф18 | ф185 | ф145 | 4-ф18 |
| 36 | PBG65-160(I) | 400 | 360 | 140×200 | 125 | 100×160 | 4-ф18 | ф185 | ф145 | 4-ф18 |
| 37 | PBG65-200(I) | 450 | 430 | 140×200 | 125 | 100×160 | 4-ф18 | ф185 | ф145 | 4-ф18 |
| 38 | PBG65-250(I) | 480 | 465 | 160×220 | 130 | 120×180 | 4-ф18 | ф185 | ф145 | 4-ф18 |
| 39 | PBG65-315(I) | 550 | 530 | 190×280 | 130 | 150×240 | 4-ф18 | ф185 | ф145 | 4-ф18 |
| 40 | PBG80-100 | 400 | 285 | 140×200 | 120 | 100×160 | 4-ф18 | ф200 | ф160 | 8-ф18 |
| 40 | PBG80-125 | 400 | 360 | 140×200 | 120 | 100×160 | 4-ф18 | ф200 | ф160 | 8-ф18 |
| 42 | PBG80-160 | 400 | 360 | 140×200 | 125 | 100×160 | 4-ф18 | ф200 | ф160 | 8-ф18 |
| 43 | PBG80-200 | 430 | 430 | 140×200 | 125 | 100×160 | 4-ф18 | ф200 | ф160 | 8-ф18 |
| 44 | PBG80-250 | 480 | 465 | 160×220 | 130 | 120×180 | 4-ф18 | ф200 | ф160 | 8-ф18 |
| 45 | PBG80-315 | 580 | 530 | 190×280 | 130 | 150×240 | 4-ф18 | ф200 | ф160 | 8-ф18 |
| 46 | PBG80-100(I) | 460 | 360 | 160×220 | 140 | 120×180 | 4-ф18 | ф200 | ф160 | 8-ф18 |
| 47 | PBG80-125(I) | 450 | 430 | 160×220 | 140 | 120×180 | 4-ф18 | ф200 | ф160 | 8-ф18 |
| 48 | PBG80-160(I) | 500 | 430 | 160×220 | 160 | 120×180 | 4-ф18 | ф200 | ф160 | 8-ф18 |
| 49 | PBG80-200(I) | 480 | 475 | 160×220 | 135 | 120×180 | 4-ф18 | ф200 | ф160 | 8-ф18 |
| 50 | PBG80-250(I) | 550 | 520 | 190×280 | 155 | 150×240 | 4-ф22 | ф200 | ф160 | 8-ф18 |
PBG屏蔽泵外形及安裝尺寸表 III
| 序號 | 型號 | 外形尺寸 | 安裝尺寸 | 安裝尺寸 | ||||||
| L | B | C1×B1 | A | C2×B2 | 4-d1 | D | D1 | N-d | ||
| 51 | PBG100-100 | 460 | 360 | 160×220 | 140 | 120×180 | 4-ф18 | ф220 | ф180 | 8-ф18 |
| 52 | PBG100-125 | 440 | 430 | 160×220 | 140 | 120×180 | 4-ф18 | ф220 | ф180 | 8-ф18 |
| 53 | PBG100-160 | 500 | 430 | 160×220 | 160 | 120×180 | 4-ф18 | ф220 | ф180 | 8-ф18 |
| 54 | PBG100-200 | 480 | 475 | 160×220 | 140 | 120×180 | 4-ф18 | ф220 | ф180 | 8-ф18 |
| 55 | PBG100-250 | 550 | 520 | 160×220 | 155 | 120×180 | 4-ф22 | ф220 | ф180 | 8-ф18 |
| 56 | PBG100-100(I) | 460 | 415 | 160×220 | 140 | 120×180 | 4-ф18 | ф220 | ф180 | 8-ф18 |
| 57 | PBG100-125(I) | 500 | 300 | 160×220 | 160 | 120×180 | 4-ф18 | ф220 | ф180 | 8-ф18 |
| 58 | PBG100-160(I) | 480 | 330 | 160×220 | 170 | 120×180 | 4-ф18 | ф220 | ф180 | 8-ф18 |
| 59 | PBG100-200(I) | 560 | 365 | 160×220 | 165 | 120×180 | 4-ф18 | ф220 | ф180 | 8-ф18 |
| 60 | PBG125-100 | 520 | 430 | 160×200 | 165 | 120×180 | 4-ф18 | ф250 | ф210 | 8-ф18 |
| 61 | PBG125-125 | 520 | 430 | 160×220 | 170 | 120×180 | 4-ф18 | ф250 | ф210 | 8-ф18 |
| 62 | PBG125-160 | 520 | 460 | 190×280 | 175 | 150×240 | 4-ф18 | ф250 | ф210 | 8-ф18 |
| 63 | PBG125-200 | 680 | 510 | 200×260 | 175 | 160×220 | 4-ф18 | ф250 | ф210 | 8-ф18 |
| 64 | PBG150-125 | 520 | 430 | 160×220 | 170 | 120×180 | 4-ф18 | ф250 | ф210 | 8-ф18 |
| 65 | PBG150-160 | 520 | 430 | 190×280 | 175 | 150×240 | 4-ф18 | ф250 | ф210 | 8-ф18 |
PBG屏蔽泵外形及安裝尺寸表 IV
| 66 | PBGD65-200 | 520 | 390 | 190×280 | 110 | 150×240 | 4-ф18 | ф165 | ф125 | 4-ф18 |
| 67 | PBGD65-250 | 480 | 335 | 160×220 | 110 | 120×180 | 4-ф18 | ф185 | ф145 | 4-ф18 |
| 68 | PBGD65-315 | 550 | 410 | 190×280 | 110 | 150×240 | 4-ф18 | ф185 | ф145 | 4-ф18 |
| 69 | PBGD80-200 | 430 | 330 | 140×200 | 125 | 100×160 | 4-ф18 | ф200 | ф160 | 8-ф18 |
| 70 | PBGD80-250 | 480 | 365 | 160×220 | 130 | 120×180 | 4-ф18 | ф200 | ф160 | 8-ф18 |
| 71 | PBGD80-315 | 580 | 430 | 190×280 | 130 | 150×240 | 4-ф18 | ф200 | ф160 | 8-ф18 |
| 72 | PBGD80-400 | 720 | 580 | 260×320 | 165 | 210×260 | 4-ф18 | ф200 | ф160 | 8-ф18 |
| 73 | PBGD100-200 | 480 | 375 | 160×220 | 140 | 120×180 | 4-ф18 | ф220 | ф180 | 8-ф18 |
| 74 | PBGD100-250 | 550 | 420 | 160×220 | 155 | 120×180 | 4-ф22 | ф220 | ф180 | 8-ф18 |
| 75 | PBGD100-315 | 630 | 520 | 250×300 | 165 | 210×260 | 4-ф22 | ф220 | ф180 | 8-ф18 |
| 76 | PBGD100-400 | 720 | 580 | 260×320 | 165 | 210×260 | 4-ф22 | ф220 | ф180 | 8-ф18 |
| 77 | PBGD125-200 | 680 | 410 | 200×260 | 175 | 160×220 | 4-ф18 | ф250 | ф210 | 8-ф18 |
| 78 | PBGD125-250 | 680 | 560 | 200×260 | 170 | 160×220 | 4-ф22 | ф250 | ф210 | 8-ф18 |
PBG屏蔽泵安裝說明
1、 安裝前應檢查機組緊固件有無鬆動現象,泵體流道內有無異物堵塞,以免水泵運行時損壞葉輪和泵體。
2、 安裝時管路重量不應加在水泵上,應有各自的支承體,以免泵變形影響運行性能和使用壽命。
3、 為了不使雜質進入泵內而堵塞流道影響性能,應在泵進口前麵安裝比吸入管截麵積大3~4倍的過濾器。
4、 如泵用於輸送熱水液體時,為了不使泵承受管路的熱變形,泵可以不固定底腳螺栓,當管路係統在熱脹冷縮時,使泵與管路同時移動。
5、 為wei了le維wei修xiu方fang便bian和he使shi用yong安an全quan,在zai泵beng的de進jin出chu口kou管guan路lu應ying各ge裝zhuang上shang一yi直zhi調tiao節jie閥fa及ji在zai泵beng進jin出chu口kou附fu近jin各ge安an裝zhuang一yi隻zhi壓ya力li表biao,以yi保bao證zheng泵beng在zai額e定ding範fan圍wei內nei運yun行xing,確que保bao泵beng的de正zheng常chang運yun行xing和he使shi用yong壽shou命ming。
PBG屏蔽泵的維護與保養
(一)起動前的準備及檢查:
1、檢查屏蔽電機和起動設備的接地設置是否良好和完整,接線是否正確,接觸是否可靠。
2、對新安裝和長期停用的屏蔽電機,使用前應檢查電機定子繞組對地的絕緣電阻。
3、管路中必須充滿輸送液體,否則將影響電機的使用壽命。
(二)運行中的維護保養:
1、dingshijiludianyuandianyadebianhuahedianyadebupinghengdu。dianyuandianyaguogaohuoguodi,sanxiangdianyadebupinghengzaochengdianliudebupingheng,doukenengyinqidianjideguorehuoqitabuzhengchangxianxiang。
2、定時記錄電泵的負載電流和不平衡度。電泵發生故障時大多數會反映到定子繞組的電流的劇增,使電機過熱。
3、定ding時shi記ji錄lu管guan路lu中zhong的de輸shu液ye溫wen度du,以yi確que保bao實shi際ji的de輸shu液ye溫wen度du低di於yu或huo等deng於yu銘ming牌pai上shang所suo規gui定ding的de輸shu液ye溫wen度du,避bi免mian電dian泵beng長chang期qi處chu於yu超chao溫wen狀zhuang態tai下xia運yun行xing,而er降jiang低di電dian機ji的de使shi用yong壽shou命ming。
4、定時記錄電泵進、出chu口kou端duan上shang的de壓ya力li表biao數shu值zhi,進jin口kou處chu壓ya力li表biao的de數shu值zhi不bu得de小xiao於yu零ling,出chu口kou處chu的de壓ya力li表biao數shu與yu進jin口kou處chu壓ya力li表biao數shu的de差cha值zhi,必bi須xu符fu合he銘ming牌pai上shang規gui定ding的de壓ya力li值zhi。
5、電(dian)泵(beng)在(zai)每(mei)一(yi)次(ci)使(shi)用(yong)前(qian)要(yao)排(pai)氣(qi)一(yi)次(ci),在(zai)長(chang)期(qi)運(yun)行(xing)時(shi),必(bi)須(xu)每(mei)星(xing)期(qi)排(pai)一(yi)次(ci)氣(qi)。因(yin)泵(beng)經(jing)長(chang)時(shi)間(jian)運(yun)行(xing),水(shui)分(fen)子(zi)在(zai)電(dian)泵(beng)內(nei)被(bei)高(gao)速(su)攪(jiao)拌(ban)和(he)撞(zhuang)擊(ji),同(tong)時(shi)被(bei)輸(shu)送(song)的(de)介(jie)質(zhi)帶(dai)有(you)一(yi)定(ding)的(de)溫(wen)度(du),故(gu)液(ye)體(ti)將(jiang)產(chan)生(sheng)氣(qi)化(hua)現(xian)象(xiang),以(yi)致(zhi)石(shi)墨(mo)軸(zhou)承(cheng)處(chu)於(yu)脫(tuo)水(shui)運(yun)行(xing)狀(zhuang)態(tai)下(xia),即(ji)幹(gan)摩(mo)擦(ca)。容(rong)易(yi)損(sun)壞(huai)軸(zhou)承(cheng),降(jiang)低(di)軸(zhou)承(cheng)使(shi)用(yong)壽(shou)命(ming)。
6、zhuyidianbengdeqiwei,zhendonghezaosheng。dianjideraozuyinwenduguogaojiuhuifachujueyuandejiaowei。yibandejixieguzhanghuifanyingweizhendonghezaosheng。yincifaxianyichangyinlijitingdianjianzha。
7、定時檢查電泵循環液通路,過濾裝置是否有阻塞現象。
8、定(ding)期(qi)維(wei)修(xiu)測(ce)量(liang)石(shi)墨(mo)軸(zhou)承(cheng)和(he)軸(zhou)套(tao)之(zhi)間(jian)的(de)間(jian)隙(xi),以(yi)確(que)保(bao)定(ding)子(zi)屏(ping)蔽(bi)套(tao)與(yu)轉(zhuan)子(zi)屏(ping)蔽(bi)套(tao)之(zhi)間(jian)間(jian)隙(xi)均(jun)勻(yun),運(yun)轉(zhuan)可(ke)靠(kao)。一(yi)般(ban)情(qing)況(kuang)以(yi)下(xia)表(biao)為(wei)限(xian),如(ru)超(chao)過(guo)表(biao)中(zhong)的(de)規(gui)定(ding)就(jiu)應(ying)修(xiu)複(fu)或(huo)更(geng)換(huan)。
注:
1.本網頁的PBG型屏蔽式管道離心泵結構、結構圖、尺寸、參數、流量、揚程、電機轉速等主要性能參數,以及安裝尺寸圖、安裝尺寸表均隻適用於參考,詳細CAD圖、安裝圖、以及產品說明書請向賽泰水泵營銷人員索取。
2.由於編輯水平有限,錯誤和不妥之處在所難免,真誠希望您批評指正。
PBG型屏蔽式管道離心泵相關產品
下一頁:SG、SGR、SGP型管道離心泵
返回至本係列目錄:管道泵