鍛鋼止回閥

鍛鋼止回閥特點
鍛鋼止回閥(鍛鋼閥門)有二種體蓋連接設計形式:第一種是體蓋螺栓連接鍛鋼止回閥,按這種連接形式設計的閥門,其閥體與閥蓋用螺栓連接,纏繞式墊片密封,優點是便於維修;第(di)二(er)種(zhong)體(ti)蓋(gai)全(quan)焊(han)密(mi)封(feng)鍛(duan)鋼(gang)止(zhi)回(hui)閥(fa),按(an)這(zhe)種(zhong)連(lian)接(jie)形(xing)式(shi)設(she)計(ji)的(de)閥(fa)門(men),其(qi)閥(fa)體(ti)與(yu)閥(fa)蓋(gai)用(yong)螺(luo)蚊(wen)連(lian)接(jie),全(quan)焊(han)密(mi)封(feng),優(you)點(dian)是(shi)無(wu)泄(xie)漏(lou)。賽(sai)泰(tai)泵(beng)閥(fa)控(kong)製(zhi)閥(fa)生(sheng)產(chan)的(de)鍛(duan)鋼(gang)止(zhi)回(hui)閥(fa)閥(fa)瓣(ban)形(xing)式(shi)還(hai)分(fen)別(bie)有(you)截(jie)流(liu)形(xing),針(zhen)形(xing),球(qiu)形(xing)您(nin)可(ke)以(yi)根(gen)據(ju)實(shi)際(ji)情(qing)況(kuang)合(he)理(li)選(xuan)用(yong)我(wo)們(men)的(de)閥(fa)門(men)。
鍛鋼止回閥設計與應用規範
1、設計製造:按ANSIB16.34;API602;BS5352
2、連接端尺寸:
(1)、承插孔尺寸按ANSIB16.11;JIS B2306
(2)、螺紋端尺寸按ANSIB1.20.1 BS21;ISO’/,;JIS BO20
3、閥門檢測和試驗;按API598
4、材料:按AISI/ASTM的規定
5、主要材料:AI05;F11;F22;304;304L;316;316L;LF2。。。
6、標記按MSS-SP-25
鍛鋼止回閥結構
1、全徑或縮徑
2、升降式止回閥
3、球式止回閥
4、旋啟式止回閥
5、按需求內置彈簧
6、螺栓連接,焊接連接閥蓋
7、 閥瓣可變換為節流型、針型、球型。

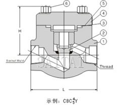
螺栓閥蓋升降式鍛鋼止回閥 結構圖2

螺栓閥蓋升降式鍛鋼止回閥 結構圖1

螺栓閥蓋升降式鍛鋼止回閥
800Lb升降式鍛鋼止回閥主要尺寸及重量
規格 |
S | L | T | H (開) ≈ |
重量(?K) ≈ | ||||
| 英 製 | 公 製 | JNSI | JIS | ANSI | ISO、BS | JIS | 900~1500Lb | ||
| NPI牙型60 | RC牙型55 | PT牙型55 | |||||||
| 1/2 | 15 | 21.8 | 22.2 | 79 | 1/2 | 61 | 1.4 | ||
| 3/4 | 20 | 27.1 | 27.7 | 92 | 3/4 | 65 | 1.5 | ||
| 1 | 25 | 33.8 | 34.5 | 111 | 1 | 79 | 3.1 | ||
| 1 1/4 | 32 | 42.6 | 43.2 | 120 | 1 1/4 | 95 | 3.9 | ||
| 1 1/2 | 40 | 48.7 | 49.1 | 152 | 1 1/2 | 103 | 5.6 | ||
| 2 | 50 | 61.1 | 61.1 | 172 | 2 | 118 | 8.9 | ||
800Lb升降式鍛鋼止回閥標準材質
序 號 |
零件名稱 | CS to ASTM | AS to ASTM | SS to ASTM | |||
| Type A105N | Type F22 | Type F304(L) | Type F316(L) | ||||
| 1 | 閥 體 | A105N | A182 F22 | A182 F304(L) | A182 F316(L) | ||
| 2 | 升降式閥 瓣 | A276 420 | A276 304 | A276 304(L) | A276 316(L) | ||
| 3 | 墊 片 | 304夾柔性石墨 | 316夾PTFE | ||||
| 4 | 閥 蓋 | A105N | A182 F22 | A182 F304(L) | A182 F316(L) | ||
| 5 | 銘 牌 | SS | |||||
| 6 | 螺 栓 | A193 B7 | A193 B16 | A193 B8 | A193 B8M | ||
| 7 | 球 | A182 F420 | A182 F304 | A182 F304 | A182 F304 | ||
| 適 用 介 質 | 水、蒸汽、油品等 | 水、蒸汽、油品等 | 硝酸、醋酸等 | ||||
| 適 用 溫 度 | -29℃-425℃ | -29℃-550℃ | -29℃-200℃ | ||||
注意:客戶需求的其他材質也可采用。密封圈材料配對由客戶指定內件代號決定。 CS=碳鋼;AS=合金鋼;SS=不鏽鋼
900-1500Lb升降式鍛鋼止回閥主要尺寸及重量
規格 |
S | L | T | H | 重量 ?K ≈ |
||||||||||
| 英 製 | 公 製 | A N S I | J I S | A N S I | ISO、BS | JIS | |||||||||
| NPI牙型60 | RC、PT牙型55 | ||||||||||||||
| 縮徑 | 全徑 | 縮徑 | 全徑 | 縮徑 | 全徑 | 縮徑 | 全徑 | 縮徑 | 全徑 | 縮徑 | 全徑 | ||||
| 1/2 | 15 | 21.8 | 22.2 | 79 | 1/2 | 1/2 | 61 | 3.4 | |||||||
| 3/4 | 1/2 | 20 | 15 | 27.1 | 21.8 | 27.7 | 22.2 | 92 | 3/4 | 1/2 | 3/4 | 1/2 | 61 | 3.3 | |
| 1 | 3/4 | 25 | 20 | 33.8 | 27.1 | 34.5 | 27.7 | 111 | 1 | 3/4 | 1 | 3/4 | 78 | 5.5 | |
| 1 1/4 | 1 | 32 | 25 | 42.6 | 33.8 | 43.2 | 34.5 | 120 | 1 1/4 | 1 | 1 1/4 | 1 | 84 | 6.0 | |
| 1 1/2 | 1 1/4 | 40 | 32 | 48.7 | 42.6 | 49.1 | 43.2 | 152 | 1 1/2 | 1 1/4 | 1 1/2 | 1 1/4 | 103 | 9.2 | |
| 2 | 1 1/2 | 50 | 40 | 61.1 | 48.7 | 61.1 | 49.1 | 172 | 2 | 1 1/2 | 2 | 1 1/2 | 118 | 12.9 | |
| 2 | 50 | 61.1 | 61.1 | 200 | 2 | 2 | 132 | 14.3 | |||||||
900-1500Lb升降式鍛鋼止回閥標準材質
序 號 |
零件名稱 | CS to ASTM | AS to ASTM | SS to ASTM | |||
| Type A105N | Type F22 | Type F304(L) | Type F316(L) | ||||
| 1 | 閥 體 | A105N | A182 F22 | A182 F304(L) | A182 F316(L) | ||
| 2 | 升降式閥 瓣 | A276 420 | A276 304 | A276 304(L) | A276 316(L) | ||
| 3 | 墊 片 | 304夾柔性石墨 | 316夾PTFE | ||||
| 4 | 閥 蓋 | A105N | A182 F22 | A182 F304(L) | A182 F316(L) | ||
| 5 | 銘 牌 | SS | |||||
| 6 | 螺 栓 | A193 B7 | A193 B16 | A193 B8 | A193 B8M | ||
| 7 | 球 | A182 F420/STL | A182 F304 | A182 F304 | A182 F304 | ||
| 適 用 介 質 | 水、蒸汽、油品等 | 水、蒸汽、油品等 | 硝酸、醋酸等 | ||||
| 適 用 溫 度 | -29℃-425℃ | -29℃-550℃ | -29℃-200℃ | ||||
注意:客戶需求的其他材質也可采用。密封圈材料配對由客戶指定內件代號決定。 CS=碳鋼;AS=合金鋼;SS=不鏽鋼
800-1500Lb旋啟式鍛鋼止回閥主要尺寸及重量

焊接閥蓋旋啟式鍛鋼止回閥

焊接閥蓋旋啟式鍛鋼止回閥 結構圖
規格 |
S | L | T | H | 重量?K ≈ | ||||||||||||
| 英 製 | 公 製 | A N S I | J I S | 800 Lb |
900- 1500 Lb |
ANSI | ISO,BS | JIS | 800 Lb |
900- 1500 Lb |
800 Lb |
900- 1500 Lb |
|||||
| NPT牙型60 | PC或PT牙型55 | ||||||||||||||||
| 縮徑 | 全徑 | 縮徑 | 全徑 | 縮徑 | 全徑 | 縮徑 | 全徑 | 縮徑 | 全徑 | 縮徑 | 全徑 | ||||||
| 1/2 | 15 | 21.8 | 22.2 | 79 | 92 | 1/2 | 1/2 | 61 | 79 | 1.1 | 3.1 | ||||||
| 3/4 | 1/2 | 20 | 15 | 27.1 | 21.8 | 27.7 | 22.2 | 92 | 111 | 3/4 | 1/2 | 3/4 | 1/2 | 61 | 79 | 1.0 | 3.0 |
| 1 | 3/4 | 25 | 20 | 33.8 | 27.1 | 34.5 | 27.7 | 111 | 120 | 1 | 3/4 | 1 | 3/4 | 78 | 79 | 1.9 | 3.6 |
| 1 1/4 | 1 | 32 | 25 | 42.6 | 33.8 | 43.2 | 34.5 | 120 | 120 | 1 1/4 | 1 | 1 1/4 | 1 | 84 | 97 | 3.9 | 4.3 |
| 1 1/2 | 1 1/4 | 40 | 32 | 48.7 | 42.6 | 49.1 | 43.2 | 120 | 140 | 1 1/2 | 1 1/4 | 1 1/2 | 1 1/4 | 101 | 105 | 4.5 | 6.1 |
| 2 | 1 1/2 | 50 | 40 | 61.1 | 48.7 | 61.1 | 49.1 | 140 | 178 | 2 | 1 1/2 | 2 | 1 1/2 | 120 | 120 | 7.2 | 8.8 |
| 2 | 50 | 61.1 | 61.1 | 172 | 200 | 2 | 2 | 133 | 140 | 10.0 | 12.6 | ||||||
800-1500Lb旋啟式鍛鋼止回閥標準材質
序 號 |
零件名稱 | CS to ASTM | AS to ASTM | SS to ASTM | |
| Type A105N | Type F22 | Type F304(L) | Type F316(L) | ||
| 1 | 閥 體 | A105N | A182 F22 | A182 F304(L) | A182 F316(L) |
| 2 | 閥 座 | A276 420 | A276 304 | A276 304(L) | A276 316(L) |
| 3 | 閥 瓣 | A276 410 | F304 | A182 F304(L) | F316(L) |
| 4 | 螺 母 | A194 2H | A194 4 | A194 8 | A194 8M |
| 5 | 搖 臂 | A105 | A182 F22 | A182 F304(L) | A182 F316(L) |
| 6 | 圓柱銷 | A276 420 | F 304 | A182 304(L) | A182 316(L) |
| 7 | 墊 片 | 304夾柔性石墨 | 316夾PTFE | ||
| 8 | 閥 蓋 | A105N | A182 F22 | A182 F304(L) | A182 F316(L) |
| 9 | 螺 栓 | A193 B7 | A193 B16 | A193 B8 | A193 B8M |
| 適 用 介 質 | 水、蒸汽、油品等 | 水、蒸汽、油品等 | 硝酸、醋酸等 | ||
| 適 用 溫 度 | -29℃-425℃ | -29℃-550℃ | -29℃-200℃ | ||
注意:客戶需求的其他材質也可采用。密封圈材料配對由客戶指定內件代號決定。 CS=碳鋼;AS=合金鋼;SS=不鏽鋼
150-600Lb 鍛鋼法蘭止回閥主要尺寸及重量

50-600Lb升降式鍛鋼法蘭止回閥

150-600Lb 旋啟式鍛鋼法蘭止回閥
規 格 |
壓力 磅級 |
L | H(開) | D3 | D2 | D1 | T | f | N-ф | 重量(?K) | |||
| 英製 | 公製 | 縮徑 | 全徑 | 縮徑 | 全徑 | ||||||||
| 1/2 | 15 | 150 | 108 | 61 | 61 | 35 | 60.5 | 89 | 11.5 | 1.6 | 4-16 | 2.56 | 3.37 |
| 300 | 152 | 66.5 | 95 | 14.5 | 1.6 | 4-16 | 2.73 | 3.65 | |||||
| 600 | 165 | 66.5 | 95 | 14.5 | 6.4 | 4-16 | 3.00 | 4.00 | |||||
| 3/4 | 20 | 150 | 117 | 61 | 78 | 43 | 70 | 98 | 13 | 1.6 | 4-16 | 3.37 | 4.37 |
| 300 | 178 | 82.5 | 118 | 16 | 1.6 | 4-19 | 3.65 | 4.74 | |||||
| 600 | 190 | 82.5 | 118 | 16 | 6.4 | 4-19 | 4.00 | 5.83 | |||||
| 1 | 25 | 150 | 127 | 78 | 84 | 51 | 79.5 | 108 | 14.5 | 1.6 | 4-16 | 4.37 | 8.17 |
| 300 | 203 | 89 | 124 | 17.5 | 1.6 | 4-19 | 4.74 | 8.17 | |||||
| 600 | 216 | 89 | 124 | 17.5 | 6.4 | 4-19 | 5.83 | 9.47 | |||||
| 1 1/4 | 32 | 150 | 140 | 84 | 103 | 63 | 89 | 118 | 16 | 1.6 | 4-16 | 8.17 | 8.94 |
| 300 | 216 | 98.5 | 133 | 19.5 | 1.6 | 4-19 | 8.17 | 9.60 | |||||
| 600 | 229 | 98.5 | 133 | 21 | 6.4 | 4-19 | 9.47 | 10.10 | |||||
| 1 1/2 | 40 | 150 | 165 | 103 | 118 | 73 | 98.5 | 127 | 17.5 | 1.6 | 4-16 | 8.94 | 12.04 |
| 300 | 229 | 114.5 | 156 | 21 | 1.6 | 4-22.5 | 9.60 | 13.70 | |||||
| 600 | 241 | 114.5 | 156 | 22.5 | 6.4 | 4-22.5 | 10.10 | 15.61 | |||||
| 2 | 50 | 150 | 203 | 118 | 132 | 92 | 120.5 | 152 | 19.5 | 1.6 | 4-19 | 12.64 | 14.3 |
| 300 | 267 | 127 | 165 | 22.5 | 1.6 | 8-19 | 13.70 | 17.8 | |||||
| 600 | 292 | 127 | 165 | 25.5 | 6.4 | 8-19 | 15.61 | 24.6 | |||||
150-600Lb 鍛鋼法蘭止回閥標準材質
序 號 |
零件名稱 | CS to ASTM | AS to ASTM | SS to ASTM | |||
| Type A105N | Type F22 | Type F304(L) | Type F316(L) | ||||
| 1 | 閥 體 | A105N | A182 F22 | A182 F304(L) | A182 F316(L) | ||
| 2 | 升降式閥 瓣 | A276 420 | A276 304 | A276 304(L) | A276 316(L) | ||
| 3 | 墊 片 | 304夾柔性石墨 | 316夾PTFE | ||||
| 4 | 閥 蓋 | A105N | A182 F22 | A182 F304(L) | A182 F316(L) | ||
| 5 | 銘 牌 | SS | |||||
| 6 | 螺 栓 | A193 B7 | A193 B16 | A193 B8 | A193 B8M | ||
| 適 用 介 質 | 水、蒸汽、油品等 | 水、蒸汽、油品等 | 硝酸、醋酸等 | ||||
| 適 用 溫 度 | -29℃-425℃ | -29℃-550℃ | -29℃-200℃ | ||||
注意:客戶需求的其他材質也可采用。密封圈材料配對由客戶指定內件代號決定。 CS=碳鋼;AS=合金鋼;SS=不鏽鋼 閥瓣可變換為節流型、針型、球型。
注:
1.本網頁的鍛鋼止回閥結構、結構圖、尺寸、參數等主要性能參數,以及安裝尺寸圖、安裝尺寸表均隻適用於參考,詳細CAD圖、安裝圖、以及產品說明書請向賽泰閥門營銷人員索取。
2.由於編輯水平有限,錯誤和不妥之處在所難免,真誠希望您批評指正。
鍛鋼止回閥相關產品
下一頁:鍛鋼球閥
返回至本係列目錄:鍛鋼閥門
上一頁:鍛鋼截止閥