軟密封蝸輪法蘭蝶閥

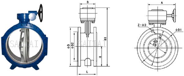
D342X軟密封蝸輪法蘭蝶閥外形尺寸圖
主要連接外型尺寸和連接尺寸
| DN | 主 要 外 形 尺 寸 | 法 蘭 尺 寸 和 螺 栓 尺 寸 | |||||||||||||||
| L | H | H1 | A | B | 0.6 MPa | 1.0 MPa | 1.6 MPa | ||||||||||
| D | D1 | D2 | n-d | D | D1 | D2 | n-d | D | D1 | D2 | n-d | ||||||
| 50 | 108 | 82.5 | 306 | 80 | 80 | 140 | 110 | 88 | 4-14 | 165 | 125 | 99 | 4-18 | 165 | 125 | 99 | 4-18 |
| 65 | 112 | 92.5 | 321 | 80 | 80 | 160 | 130 | 108 | 4-14 | 185 | 145 | 118 | 4-18 | 185 | 145 | 118 | 4-18 |
| 80 | 114 | 100 | 346 | 80 | 80 | 190 | 150 | 124 | 4-18 | 200 | 160 | 132 | 8-18 | 200 | 160 | 132 | 8-18 |
| 100 | 127 | 110 | 387 | 95 | 95 | 210 | 170 | 144 | 4-18 | 220 | 180 | 156 | 8-18 | 220 | 1801 | 156 | 8-18 |
| 125 | 140 | 125 | 411 | 95 | 95 | 240 | 200 | 174 | 8-18 | 250 | 210 | 184 | 8-18 | 250 | 210 | 184 | 8-18 |
| 150 | 140 | 142.5 | 447 | 95 | 95 | 265 | 225 | 199 | 8-18 | 285 | 240 | 211 | 8-22 | 285 | 240 | 211 | 8-22 |
| 200 | 152 | 170 | 607 | 190 | 308 | 320 | 280 | 254 | 8-18 | 340 | 295 | 266 | 8-22 | 340 | 295 | 266 | 12-22 |
| 250 | 165 | 192.5 | 688 | 190 | 308 | 375 | 335 | 309 | 12-18 | 395 | 350 | 319 | 12-22 | 405 | 355 | 319 | 12-26 |
| 300 | 178 | 222.5 | 742 | 190 | 308 | 440 | 395 | 363 | 12-22 | 445 | 400 | 370 | 12-22 | 460 | 410 | 370 | 12-26 |
| 350 | 190 | 252.5 | 797 | 190 | 308 | 490 | 445 | 413 | 12-22 | 505 | 460 | 429 | 16-22 | 520 | 470 | 429 | 16-26 |
| 400 | 216 | 282.5 | 930 | 270 | 466 | 540 | 495 | 463 | 16-22 | 565 | 515 | 480 | 16-26 | 580 | 525 | 480 | 16-30 |
| 450 | 222 | 307.5 | 975 | 270 | 466 | 595 | 550 | 518 | 16-22 | 615 | 565 | 530 | 20-26 | 640 | 585 | 548 | 20-30 |
| 500 | 229 | 335 | 1065 | 270 | 466 | 645 | 600 | 568 | 20-22 | 670 | 620 | 582 | 20-26 | 715 | 640 | 609 | 20-33 |
| 600 | 267 | 390 | 1225 | 457 | 625 | 755 | 705 | 667 | 20-26 | 780 | 725 | 682 | 20-30 | 840 | 770 | 720 | 20-36 |
| 700 | 292 | 447.5 | 1343 | 457 | 625 | 860 | 810 | 772 | 24-26 | 895 | 840 | 794 | 24-30 | 910 | 840 | 794 | 24-36 |
| 800 | 318 | 507.5 | 1436 | 457 | 625 | 975 | 920 | 878 | 24-30 | 1015 | 950 | 901 | 24-33 | 1025 | 950 | 901 | 24-39 |
| 900 | 330 | 557.5 | 1616 | 598 | 853 | 1075 | 1020 | 978 | 24-30 | 1115 | 1050 | 1001 | 28-33 | 1125 | 1050 | 1001 | 28-39 |
| 1000 | 410 | 615 | 1711 | 598 | 853 | 1175 | 1120 | 1078 | 28-3 | 1230 | 1160 | 1112 | 28-36 | 1255 | 1170 | 1112 | 28-42 |
| 1200 | 470 | 727.5 | 1971 | 598 | 853 | 1405 | 1340 | 1295 | 32-33 | 1455 | 1380 | 1328 | 32-39 | 1485 | 1390 | 1328 | 32-48 |
| 1400 | 530 | 837.5 | 2218 | 860 | 1345 | 1630 | 1560 | 1510 | 36-36 | 1675 | 1590 | 1530 | 36-42 | 1685 | 1590 | 1530 | 36-48 |
| 1600 | 600 | 957.5 | 2578 | 860 | 1345 | 1830 | 1760 | 1710 | 40-36 | 1915 | 1820 | 1750 | 40-48 | 1930 | 1820 | 1750 | 40-56 |
| 1800 | 670 | 1057.5 | 2689 | 860 | 1345 | 2045 | 1970 | 1918 | 44-39 | 2115 | 2020 | 1950 | 44-48 | 2130 | 2020 | 1950 | 44-56 |
| 2000 | 760 | 1162.5 | 3022 | 952 | 1592 | 2265 | 2180 | 2125 | 48-42 | 2325 | 2230 | 2150 | 48-48 | 2345 | 2230 | 2150 | 48-62 |
注:可根據用戶要求從DN250-3000生產(GB12221-89)長係列,從DN1200-3000帶底腳的需注明。
注:
1.本網頁的軟密封蝸輪法蘭蝶閥結構、結構圖、尺寸、參數等主要性能參數,以及安裝尺寸圖、安裝尺寸表均隻適用於參考,詳細CAD圖、安裝圖、以及產品說明書請向賽泰閥門營銷人員索取。
2.由於編輯水平有限,錯誤和不妥之處在所難免,真誠希望您批評指正。
軟密封蝸輪法蘭蝶閥相關產品
下一頁:軟密封氣動法蘭蝶閥
返回至本係列目錄:蝶閥
上一頁:電動對夾式軟密封蝶閥