信譽發展

首頁 > 賽泰產品 > 閥門 > 電磁閥

2W電磁閥

2W電磁閥
2W電磁閥

2W電磁閥特點:
采用二口(通)二er位wei直zhi動dong式shi膜mo片pian結jie構gou無wu壓ya力li啟qi動dong,大da大da擴kuo充chong了le它ta的de使shi用yong領ling域yu。采cai用yong平ping板ban式shi膜mo片pian結jie構gou啟qi閉bi可ke靠kao,並bing且qie大da大da增zeng強qiang該gai產chan品pin的de使shi用yong壽shou命ming。選xuan用yong塑su封feng線xian圈quan可ke提ti高gao該gai產chan品pin在zai眾zhong多duo環huan境jing下xia的de安an全quan使shi用yong。適shi用yong介jie質zhi:液體、水、熱水、氣、油、瓦斯等,並請注意以下細節:
1、 如在食品機械和飲用水上使用,可在訂貨時提出密封材料可用食品級矽橡膠PYMQ。
2、安裝手動裝置的,在斷電或緊急情況下,可以手動操作閥門開關。
3、需要法蘭連接的可在訂貨時提出。

2W-025-08
2W-025-08
內部結構及主要零部件
內部結構及主要零部件
2W電磁閥訂貨編號
2W電磁閥訂貨編號

水(熱水) 型2W-N電磁閥

水(熱水) 型2W-N電磁閥
水(熱水) 型2W-N電磁閥
規格型號 長(L)mm 高(H)mm 接管螺紋
2W-2.5N 40.5 75 PT1/8″1/4″
2W-4N 52.5 85.5 PT3/8″
2W-10N 69 117 PT3/8″
2W-15N 69 117 PT1/2″
2W-20N 73 123.5 PT3/4″
2W-25N 99 134.5 PT1″
2W-35N 112 172 PT11/4″
2W-40N 123 172 PT11/2″
2W-50N 168 209 PT2″
2W-25JN
2W-25JN
內部結構外形尺寸圖2
內部結構外形尺寸圖2
內部結構外形尺寸圖1
內部結構外形尺寸圖1
水(熱水) 型2W-N電磁閥訂貨編號
水(熱水) 型2W-N電磁閥訂貨編號

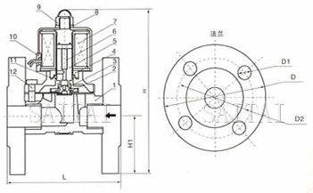
不鏽鋼法蘭式2W電磁閥

2W-50JF
2W-50JF
型號 長(L) 高(H) H1 法蘭D 法蘭D1 法蘭D2
2W-10JF 96 145 45 90 ф14 ф65
2W-15JF 96 145 45 90 ф14 ф65
2W-20JF 98 155 50 100 ф14 ф75
2W-25JF 128 166 55 110 ф14 ф85
2W-32JF 158 204 67.5 135 ф18 ф100
2W-40JF 158 217 72.5 145 ф18 ф110
2W-50JF 202 227 78 156 ф18 ф125

注:需要常開式,在型號後加K,如2W-25JFK,F表示法蘭連接。

外形尺寸,內部結構圖1
外形尺寸,內部結構圖1
序號 名稱 序號 名稱
1 本體 2 膜片組合
3 膜片拉伸彈簧 4 電磁鐵組合
5 可動鐵組合 6 壓縮彈簧
7 線圈組合 8 彈簧華司
9 六角蓋形螺帽 10 出線護套
11 O令 12 螺釘
不鏽鋼法蘭式2W電磁閥訂貨編號
不鏽鋼法蘭式2W電磁閥訂貨編號
外形尺寸,內部結構圖2
外形尺寸,內部結構圖2
型號 A B C D K(PT)
2W025-06 66 30.3 75 40.5 1/8?
2W025-08 66 30.3 75 40.5 1/4?
2W040-08 66 30.3 75 40.5 1/4?
2W040-10 74 32.2 85.5 52.5 3/8?
2W160-10 101.5 57 117 69 3/8?
2W160-15 101.5 57 117 69 1/2?
2W200-20 107 57 123.5 73 3/4?

2W電磁閥規格參數

型號 2W025-06 2W025-08 2W040-08 2W040-10 2W160-10 2W160-15 2W200-20 2W250-25 2W350-35 2W400-40 2W500-50
使用流體 空氣、水、油、瓦斯、液化氣、天然氣、煤氣
動作方式 直動式
型式 常閉式或常開式
流量孔徑mm 2.5 4 16 20 25 35 40 50
CV值 0.23 0.6 4.8 7.6 12 24 29 48
接管口徑G 1/8 1/4 1/4 3/8 3/8 1/2 3/4 1 11/4 11/2 2
使用流體粘度 20CST以下
使用壓力Kg/cm2 常閉:0∽10Kgf/cm2常開:0∽8Kgf/cm2
最大耐壓力Kg/cm2 16Kgf/cm2
工作溫度℃ -5∽80℃(高溫V型-10∽120℃)
使用電壓範圍 +-10% 電壓:AC220V AC110V DC24V DC12V 其它電壓和工廠接洽
本體材質 鍛黃銅和不鏽鋼304,不鏽鋼在型號後加“J”
油封材質 常規:NBR可選型:EPDM、VMQ、VITON
工作電壓 AC:220V、110V、36V、50/60HZ DC:220V、110V36V、24V、12V
壓差、流量曲線圖
壓差、流量曲線圖

注:
1.本網頁的2W電磁閥結構、結構圖、尺寸、參數等主要性能參數,以及安裝尺寸圖、安裝尺寸表均隻適用於參考,詳細CAD圖、安裝圖、以及產品說明書請向賽泰閥門營銷人員索取。
2.由於編輯水平有限,錯誤和不妥之處在所難免,真誠希望您批評指正。

2W電磁閥相關產品

下一頁:RSV氣液電磁閥

返回至本係列目錄:電磁閥

上一頁:RSP 先導式電磁閥

關閉在線客服
"
  • 銷售熱線

  • 總機:
  • 手機: